Запчасти Case IH 1350 (9B-38) - SPINDLES AND WHEELS, 1350 MACHINES (09) - CHASSIS ATTACHMENTS

Схема запчастей Case IH 1350 - (9B-38) - SPINDLES AND WHEELS, 1350 MACHINES (09) - CHASSIS ATTACHMENTS
FIT
1:1
100%

Артикул

Название

Примечание

Количество

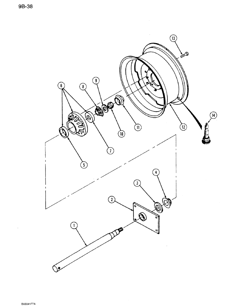
1

79780C1

SPINDLE

2шт.

32-1024

COTTER PIN,5/32" x 1 1/2"

Pin. Split (Cotter), 5/32 x 1 1/2 inch

2шт.

424-864

BOLT,Hex, 1/2" - 13 x 4", Gr 2

- hex, 1/2 NC x 4 inch

2шт.

80679

LOCK WASHER,1/20.507 CST ZND

WASHER, LOCK, 1/2"

2шт.

425-108

NUT,1/2" - 13, Gr 5

NUT, , Hex 1/2"-13, G5

2шт.

2

79781C1

SPINDLE

PLATE - spindle mounting

2шт.

413-820

BOLT,Hex, 1/2" - 13 x 1-1/4", Gr 5

- hex, 1/2 NC x 1-1/4 inch

8шт.

80679

LOCK WASHER,1/20.507 CST ZND

WASHER, LOCK, 1/2"

8шт.

425-108

NUT,1/2" - 13, Gr 5

NUT, , Hex 1/2"-13, G5

8шт.

3

154615H1

OIL SEAL

SEAL

2шт.

4

G15215

ROLLER BEARING

CONE - bearing, inner

2шт.

5

619387R1

BEARING CUP

CUP - bearing, inner

2шт.

6

62616C1

HUB

ASSEMBLY - 8 bolt (Includes Ref 5 and 7)

2шт.

7

651817R1

BEARING CUP

CUP - bearing, outer

2шт.

7

651817R1GV

BEARING CUP

Value, Bearing Cup

2шт.

8

651818R91

ROLLER BEARING,31.77 mm ID x 16.08 mm

CONE - bearing, outer

2шт.

9

495-81045

WASHER,25/32" x 1 3/4" x .179"

- flat, 25/32 x 1-3/4 x 5/32 inch

2шт.

10

25-1312

SLOTTED NUT,3/4"-16, G5

NUT - hex slotted, 3/4 inch NF

2шт.

11

614406R1

CAP

- wheel hub

2шт.

12

79821C1

WHEEL

- 8 bolt

2шт.

13

79822C1

BOLT

- wheel

16шт.

14

387897R91

VALVE STEM

VALVE - wheel

2шт.

Выбрано товаров: 22