Запчасти Case IH 200 (E-11[A]) - 2-WAY DOOR HYDRAULIC CYLINDER UNIT

Схема запчастей Case IH 200 - (E-11[A]) - 2-WAY DOOR HYDRAULIC CYLINDER UNIT
FIT
1:1
100%

Артикул

Название

Примечание

Количество

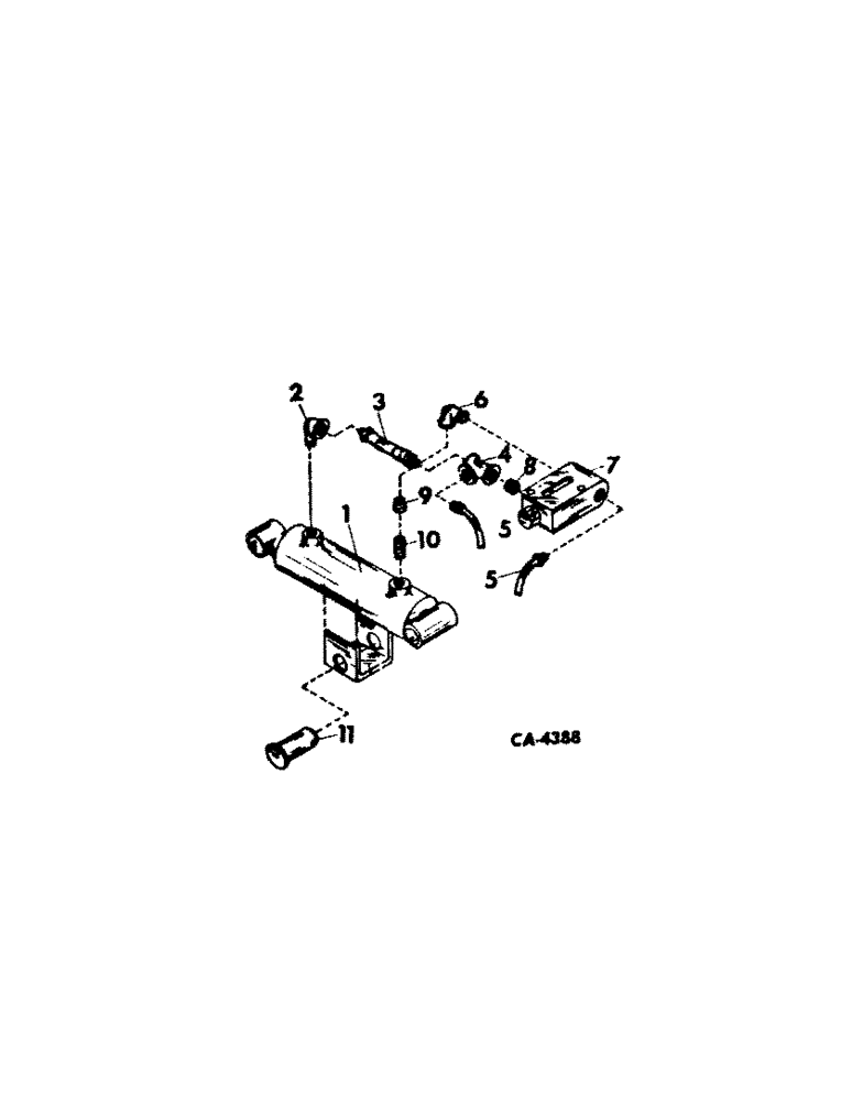
1

62614C91

CYLINDER, hydraulic, 2-1/2 x 8

1шт.

2

62760C1

ELBOW, 3/8 x 1/2 90 deg. street

1шт.

3

363633R91

HOSE

1/2 x 9-1/2 in. long, also furnish nipple, 443983

1шт.

443983

PIPE

NIPPLE, 1/2-14 zn auto. pipe

1шт.

4

179614

TEE, 1/2

1шт.

5

407085R91

HOSE

1/2 x 9 ft.

2шт.

6

221-1414

ELBOW,90 Degree, 1/2"-14, NPT

1/2 x 1/2 90 deg. street

1шт.

7

62759C1

VALVE, relief

1шт.

8

192074

NIPPLE, LUBE,Nipple, 1/2" NPT x 1 1/8"

NIPPLE, 1/2 closed

1шт.

9

144216

BUSHING,1/2" NPT Male x 3/8" NPT Fem

REDUCER, 3/8 to 1/2

1шт.

10

192067

LUBE NIPPLE

NIPPLE, 3/8 closed

1шт.

11

62714C1

PIN, 3/8 x 3-3/4 clevis

1шт.

120169

COTTER PIN,5/32" x 1"

PIN, SPLIT (COTTER), 5/32" x 1"

1шт.

Выбрано товаров: 13