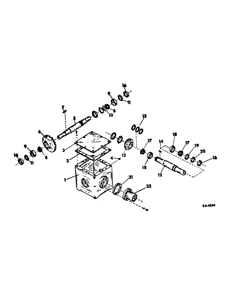
Запчасти Case IH 200 (E-05) - GEAR BOX

Схема запчастей Case IH 200 - (E-05) - GEAR BOX
FIT
1:1
100%

Артикул

Название

Примечание

Количество

62623C91

BOX ASSY, gear

1шт.

1

62624C1

BOX, gear

1шт.

2

62625C1

GASKET, gear box

1шт.

3

62626C1

COVER, gear box

1шт.

180077

BOLT,Hex, 5/16" - 18 x 3/4", Gr 5

SCREW, 5/16-18 x 3/4 znd hex-hd cap

4шт.

80681

LOCK WASHER,5/16"

WASHER, LOCK, 5/16"

4шт.

20969R1

PLUG

3/4-14 auto sq-hd pipe

1шт.

4

19103C

PLUG, 3/4-14 vented pipe

1шт.

5

62627C1

SHAFT, output

1шт.

6

62628C1

GEAR, bevel 30T

1шт.

7

Q42

KEY,5/16" Sq x 1 3/8", Par

5/16 x 1.38 sq. parallel

1шт.

8

618023R91

BEARING ASSY,34.93mm ID x 18.2mm W

BEARING ASSY, gear case cone

2шт.

9

618024R1

BEARING CUP,65.113mm OD x 13.97mm W

Gear case

2шт.

10

62753C1

SPACER, output shaft

1шт.

11

617933R1

SNAP RING,2.562", Int, #256

Ring, Snap, 2.562", Int, #256

2шт.

127688

LOCK WASHER,Type W-08

WASHER, 1-9/16 lock

1шт.

127711

NUT,Bearing, 1.5748" Bore

1-9/16 lock

1шт.

12

62629C1

SHAFT, input

1шт.

13

62630C1

GEAR, bevel 15T

1шт.

14

Q42

KEY,5/16" Sq x 1 3/8", Par

5/16 x 1.38 sq. parallel

1шт.

127686

LOCK WASHER,Type W-06

WASHER, 1.173 lock

1шт.

127709

NUT

1-11/64 lock

1шт.

15

10957P

SPACER, .080, (1 or as required)

1шт.

15

552846R1

SPACER, .048, (1 or as required)

1шт.

15

608085R1

WASHER

SPACER, .060, (1 or as required)

1шт.

16

62654C1

OIL SEAL

oil

3шт.

17

618023R91

BEARING ASSY,34.93mm ID x 18.2mm W

BEARING ASSY, cone

2шт.

18

618024R1

BEARING CUP,65.113mm OD x 13.97mm W

2шт.

19

62611C1

WASHER

1шт.

20

273026R1

SNAP RING,1.375", Int, #137

Ring, Snap, 1.375", Int, #137

3шт.

21

62631C1

GASKET, input housing

1шт.

22

62632C1

HOUSING, input

1шт.

180124

BOLT,Hex, 3/8" - 16 x 1 1/4", Gr 5

SCREW, 3/8-16 x 1-1/4 znd hex-hd cap

6шт.

120382

LOCK WASHER,Helical Spring, 3/8"

WASHER, LOCK, 3/8"

6шт.

Выбрано товаров: 34