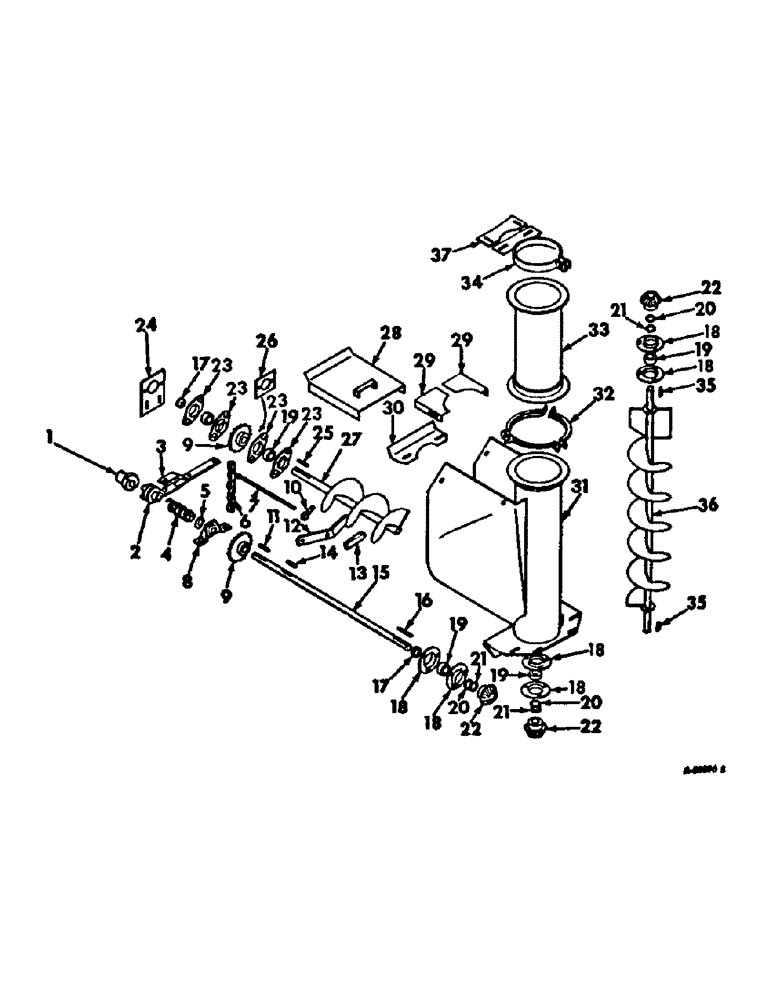
Запчасти Case IH 850 (B-07) - BACK UNLOADING AUGER

Схема запчастей Case IH 850 - (B-07) - BACK UNLOADING AUGER
FIT
1:1
100%

Артикул

Название

Примечание

Количество

1

488441R1

CLUTCH

front up to serial no. 850, 1050

1шт.

These are interchangeable, no serial number break.

1шт.

57307C1

CLUTCH

subbed for 488441R1, used on the 950/1150 mixer, could possibly use the new version

1шт.

1

492099R1

CLUTCH

front from serial no. 850, 1050

1шт.

These are interchangeable, no serial number break.

1шт.

2

492100R1

CLUTCH

rear

1шт.

L418C

HEADED PIN,5/16" x 2 3/8"

PIN, 5/16 x 2-3/8 std-hd

1шт.

103384

COTTER PIN,1/8" x 3/4"

Pin, Split (Cotter), 1/8" x 3/4"

1шт.

3

488443R1

ARM

ASSY, clutch

1шт.

4

488444R1

SPRING

clutch

1шт.

5

488445R1

WASHER

1-1/4 x 1-3/4 x 10 ga

1шт.

6

CHAIN, back auger, use 32 links of 1 in. pitch double agricultural roller links from roll marked, 569088R91, two offset link, 457114R91, one connecting link, 457113R91

1шт.

7

488447R1

ROD

clutch

1шт.

8

479469R91

BEARING ASSY, back auger shaft cartridge

1шт.

9

487860R1

SPROCKET ASSY.

SPROCKET, drive 28T

2шт.

10

475708R1

BOLT

clutch adj eye

1шт.

11

629280R1

KEY,5/16" Sq x 3 1/2", Par

5/16 x 3-1/2 sq parallel

1шт.

12

475707R1

HANDLE, clutch

1шт.

13

488448R1

GRIP

clutch handle

1шт.

14

617034R1

KEY,5/16" Sq x 3", Par

5/16 x 3 sq parallel

1шт.

15

488449R1

SHAFT, back auger

1шт.

16

13611A

KEY,5/16" Sq x 2 1/2", Par

5/16 x 2-1/2

1шт.

17

487920R91

COLLAR

W/SET SCREW, brg locking

2шт.

18

565631R1

BEARING CAP,2.441" ID x 4.4375" OD x 0.34375"

brg mounting

4шт.

19

487919R91

BEARING

ASSY LESS COLLAR, back auger shaft ball

5шт.

20

487922R1

WASHER

1-1/8 x 1-5/8 x 10 ga

3шт.

21

487923R1

WASHER

1-1/8 x 1-5/8 x 12 ga

3шт.

22

487873R1

GEAR

BEVEL - 14 T

3шт.

23

488474R1

FLANGE

brg

6шт.

24

488473R1

PLATE, brg

1шт.

25

619720R1

KEY,5/16" Sq x 1 1/8", Par

5/16 x 1-1/8 sq parallel

1шт.

26

488475R1

PLATE, brg spacer

1шт.

27

488446R1

AUGER

push

1шт.

28

475718R2

COVER

unloading hopper

1шт.

29

475717R91

DEFLECTOR, feed hopper

2шт.

30

488477R1

GASKET, steel

1шт.

31

488476R1

HOPPER, first section

1шт.

180122

BOLT,Hex, 3/8" - 16 x 1", Gr 5

3/8-16 x 1 C-Z hex-hd cap

1шт.

120382

LOCK WASHER,Helical Spring, 3/8"

WASHER, LOCK, 3/8"

1шт.

178372R1

WASHER

13/32 x 1-1/4 x 16 ga C-Z

1шт.

32

475751R91

CLAMP

swivel

1шт.

33

485894R1

TUBE, auger, 18 in. vertical extension attachment, special

1шт.

34

485901R1

BAND, extension holding

1шт.

35

Q1443

KEY,5/16" Sq x 1 1/2", Par

5/16 x 1-1/2 sq parallel

2шт.

36

488450R1

AUGER

vertical, standard

1шт.

36

488451R1

AUGER ASSY, 18 in. vertical extension attachment, special

1шт.

37

488452R1

BRACKET

1шт.

Выбрано товаров: 47