Запчасти Case IH 10QA (8-20) - CONTROL HYDRAULICS, 10QA LOADER (08) - HYDRAULICS

Схема запчастей Case IH 10QA - (8-20) - CONTROL HYDRAULICS, 10QA LOADER (08) - HYDRAULICS
FIT
1:1
100%

Артикул

Название

Примечание

Количество

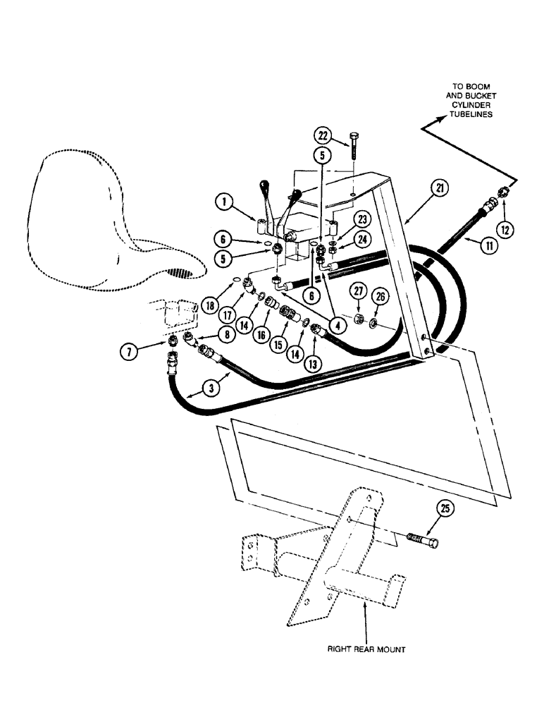
1

REF

INSTRUCTION

VALVE ASSEMBLY hydaulic control (See Figure 8-22 and 8-24)

1шт.

3

195504C2

HYDRAULIC HOSE

ASSEMBLY, 3/8 x 80 inch

2шт.

For initial service also order one 218-5044 and 218-786 for each hose ordered.

1шт.

3

1284296C1

HYDRAULIC HOSE,9.52 mm ID x 1905.00 mm

2шт.

For initial service also order one 218-5044 and 218-786 for each hose ordered.

1шт.

4

218-5044

HYD CONNECTOR,9/16" - 18 Male JIC x 1-1/16" - 12 Male ORB

ELBOW 90 degree, 9/16-18 inch flared

2шт.

218-786

REDUCER,37 Degree, 3/4"-16, Fem x 9/16"-18 Male

2шт.

218-444

HYD CONNECTOR,3/4" - 16 Male JIC x 3/8" - 18 Male NPTF

straight, 3/4-16 flare x 3/8 inch PT

2шт.

5

218-5058

HYD CONNECTOR,9/16" - 18 Male JIC x 3/4" - 18 Male ORB

9/16-18 flared x 3/4-16 inch o-ring boss

2шт.

6

237-6008

O-RING,0.087" Thk x 0.644" ID, -908, Cl 6, 90 Duro

2шт.

7

218-1024

HYD CONNECTOR,9/16"-18, 37 Degree x 3/8"-18, NPTF

1шт.

8

218-1095

ELBOW,45 Degree, 9/16-18" 37 Degree x 3/8"-18, NPTF

ELBOW 45 degree, 9/16-18 flared x 3/8 inch PT

1шт.

11

810139C2

HYDRAULIC HOSE,9.53mm ID x 1397mm L, SAE 100R7

3/8 x 55 inch

4шт.

For initial service also order one 218-734 and 218-1024 for each hose ordered.

1шт.

12

218-734

UNION,9/16"-18, 37 Degree x 9/16"-18, 37 Degree

CONNECTOR straight, 9/16-18 thread

4шт.

13

218-1024

HYD CONNECTOR,9/16"-18, 37 Degree x 3/8"-18, NPTF

4шт.

14

1960687C1

PISTON RING SET

color coded, four pairs

1шт.

15

1349642C1

COUPLING

hydraulic, quick (Replaces 166122C92)

4шт.

16

166123C91

COUPLING

ASSEMBLY male, 1/4 inch PT

4шт.

17

1349641C1

ADAPTER

ELBOW 45 degree (Replaces 1960686C1)

4шт.

21

1349645C1

STAND

valve (Replaces 1969378C1)

1шт.

22

413-432

BOLT,Hex, 1/4" - 20 x 2", Gr 5

2шт.

23

492-11025

LOCK WASHER,1/4"

2шт.

24

7770

NUT,Hex, 1/4 - 20, Cl 5

2шт.

25

413-828

BOLT,Hex, 1/2" - 13 x 1-3/4", Gr 5

2шт.

26

80679

LOCK WASHER,1/20.507 CST ZND

2шт.

27

425-108

NUT,1/2" - 13, Gr 5

2шт.

214389

PLUG,3/4" - 16 ORB

1шт.

76349

PLUG,9/16" - 18 ORB

1шт.

413-412

BOLT,Hex, 1/4" - 20 x 3/4", Gr 5

2шт.

492-11025

LOCK WASHER,1/4"

2шт.

18

237-6006

O-RING,0.078" Thk x 0.468" ID, -906, Cl 6, 90 Duro

4шт.

Выбрано товаров: 0