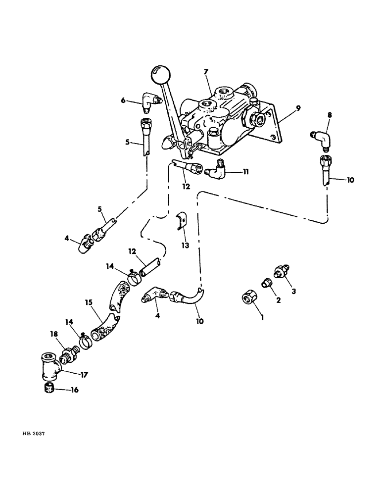
Запчасти Case IH 1501 (A-14) - HYDR SYSTEM, TRACTOR TO VALVE HYDR, MODEL B275 & B414 1964 TO 1965

Схема запчастей Case IH 1501 - (A-14) - HYDR SYSTEM, TRACTOR TO VALVE HYDR, MODEL B275 & B414 1964 TO 1965
FIT
1:1
100%

Артикул

Название

Примечание

Количество

1

9409524

NUT,3/4"-16, Flareless

2шт.

2

222-1585

FERRULE,Flareless, 1/2" Tube

FERRULE

2шт.

3

9409300

HYD CONNECTOR,Flareless, 3/4"-16

COUPLING, tractor pressure line

1шт.

4

675304R1

ELBOW, high pressure pipe

2шт.

5

675302R91

PIPE, valve inlet (B414 tractor)

1шт.

5

675334R91

PIPE, valve inlet (B275 tractor)

1шт.

6

635813R1

ELBOW, w/nut

1шт.

364885R1

O-RING,0.097" Thk x 0.755" ID, -910, Cl 6, 90 Duro

elbow

1шт.

7

675300R91

VALVE, control (for service parts refer to "Hydraulic Control Valve")

1шт.

8

9410977

ELBOW,90 Degree, 3/4"-16, 37 Degree x 3/4"-16, O-Ring

w/nut

1шт.

570828R1

O-RING,0.087" Thk x 0.644" ID, -908, Cl 6, 90 Duro

elbow

1шт.

9

675301R1

BRACKET, valve support

1шт.

180121

BOLT,Hex, 3/8" - 16 x 7/8", Gr 5

3/8 x 7/8"

4шт.

120377

NUT,3/8" - 16, Gr 5

4шт.

120382

LOCK WASHER,Helical Spring, 3/8"

WASHER, LOCK, 3/8"

4шт.

10

675303R91

PIPE, valve outlet (B414 tractor)

1шт.

10

675335R91

PIPE, valve outlet (B275 tractor)

1шт.

11

9402866

ELBOW,90 Degree, 7/8"-14, 37 Degree x 1/2"-14, NPTF

90deg. outlet

1шт.

12

675305R11

PIPE, valve to lift housing

1шт.

13

706405R1

CLAMP

valve to lift housing pipe

2шт.

87716

BOLT,1/4"-20 x 1-1/4", Cl 5

1шт.

120375

NUT,Hex, 1/4" - 20, Gr 5

1шт.

492-11025

LOCK WASHER,1/4"

WASHER, LOCK, 1/4"

1шт.

14

995218R1

CLAMP

hose

2шт.

15

675306R1

HOSE, return

1шт.

16

144613

LINE

NIPPLE, 3/4 close pipe

1шт.

17

218246

BOLT

return line

1шт.

18

675307R1

FITTING

1/2" hose

1шт.

Выбрано товаров: 28