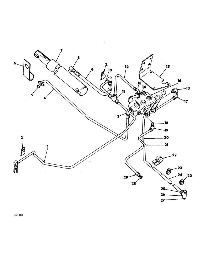
Запчасти Case IH 1501 (A-18) - HYDR SYSTEM, TRACTOR TO VALVE AND BOOM HYDR, MODEL B414 1967 TO 1972

Схема запчастей Case IH 1501 - (A-18) - HYDR SYSTEM, TRACTOR TO VALVE AND BOOM HYDR, MODEL B414 1967 TO 1972
FIT
1:1
100%

Артикул

Название

Примечание

Количество

1

676554R11

PIPE, boom cylinder LH

1шт.

2

446077R91

CLIP

CLAMP, pipe

2шт.

180077

BOLT,Hex, 5/16" - 18 x 3/4", Gr 5

5/16 x 3/4"

2шт.

120376

NUT,5/16"-18, G5

2шт.

80681

LOCK WASHER,5/16"

WASHER, LOCK, 5/16"

2шт.

3

936450R91

ELBOW,90 Degree, 3/4"-16, 37 Degree x 7/8"-14, O-Ring

W/NUT, 1/2" tube to 5/8" straight 90 deg. valve inlet port

1шт.

364885R1

O-RING,0.097" Thk x 0.755" ID, -910, Cl 6, 90 Duro

elbow

1шт.

4

676558R91

PIPE, Serial Range: valve-pump

1шт.

5

352221R1

O-RING,0.103" Thk x 0.549" ID, -113, Cl 5, 75 Duro

to pump

1шт.

6

851637C1

SUPPORT

boom lift cylinder lock

2шт.

Q595

PIN,3/8" x 3 1/4"

3/8 x 3-1/4" std-hd-dld

2шт.

610784R1

SPLIT PIN/SAFETY PIN,2.4mm OD x 60.345mm OAL

C-PIN, 1/8" Q.A.

2шт.

7

675280R91

CYLINDER, (for service parts refer to "Boom Lift Cylinder")

2шт.

8

637865R1

ELBOW, 1/2" tube to 3/8" pipe 90 deg. in cylinder port

2шт.

9

675846R91

HOSE ASSY.

HOSE, 24" boom cylinder

2шт.

10

676555R11

PIPE, boom cylinder RH 1" OD, 7, 2.8" Length

1шт.

11

9402982

TEE,3/4"-16, 37 Degree

cylinder pipe

1шт.

12

676557R11

PIPE, tee to valve 1" OD, 11.8, 2.6" Length

1шт.

13

9410977

ELBOW,90 Degree, 3/4"-16, 37 Degree x 3/4"-16, O-Ring

W/NUT, 1/2" tube 90 deg. at restrictor and valve power beyond

2шт.

570828R1

O-RING,0.087" Thk x 0.644" ID, -908, Cl 6, 90 Duro

elbow

2шт.

14

675453R91

VALVE

RESTRICTOR, control valve

1шт.

570828R1

O-RING,0.087" Thk x 0.644" ID, -908, Cl 6, 90 Duro

restrictor

1шт.

15

675818R2

BRACKET, valve support

1шт.

180122

BOLT,Hex, 3/8" - 16 x 1", Gr 5

3/8 x 1"

4шт.

120377

NUT,3/8" - 16, Gr 5

4шт.

120382

LOCK WASHER,Helical Spring, 3/8"

WASHER, LOCK, 3/8"

4шт.

16

676434R91

VALVE, control (for service parts refer to "Hydraulic Control Valve")

1шт.

17

9410281

ELBOW,90 Degree, 3/4"-16, 37 Degree x 3/4"-16, 37 Degree Fem Sw

1/2" tube 90 deg. swivel power beyond

1шт.

18

144034

ADAPTER,3/4" NPT Male x 1/2" NPT Fem

BUSHING, reducing pipe

1шт.

19

9402866

ELBOW,90 Degree, 7/8"-14, 37 Degree x 1/2"-14, NPTF

5/8 tube to 1/2" pipe 90 deg. return

1шт.

20

676560R11

PIPE, power beyond

1шт.

21

676561R11

PIPE, return

1шт.

22

676045R1

CLAMP

return tube

2шт.

87716

BOLT,1/4"-20 x 1-1/4", Cl 5

1шт.

120375

NUT,Hex, 1/4" - 20, Gr 5

1шт.

492-11025

LOCK WASHER,1/4"

WASHER, LOCK, 1/4"

1шт.

23

995218R1

CLAMP

hose

2шт.

24

675306R1

HOSE, return

1шт.

25

675307R1

FITTING

1/2" hose

1шт.

26

218246

BOLT

lift housing

1шт.

27

NLS

NO LONGER SERVICED

NIPPLE, lift housing tee

1шт.

28

705519R1

RING

housing

1шт.

29

705520R1

NUT,0.69" Length

hydraulic housing

1шт.

Выбрано товаров: 43