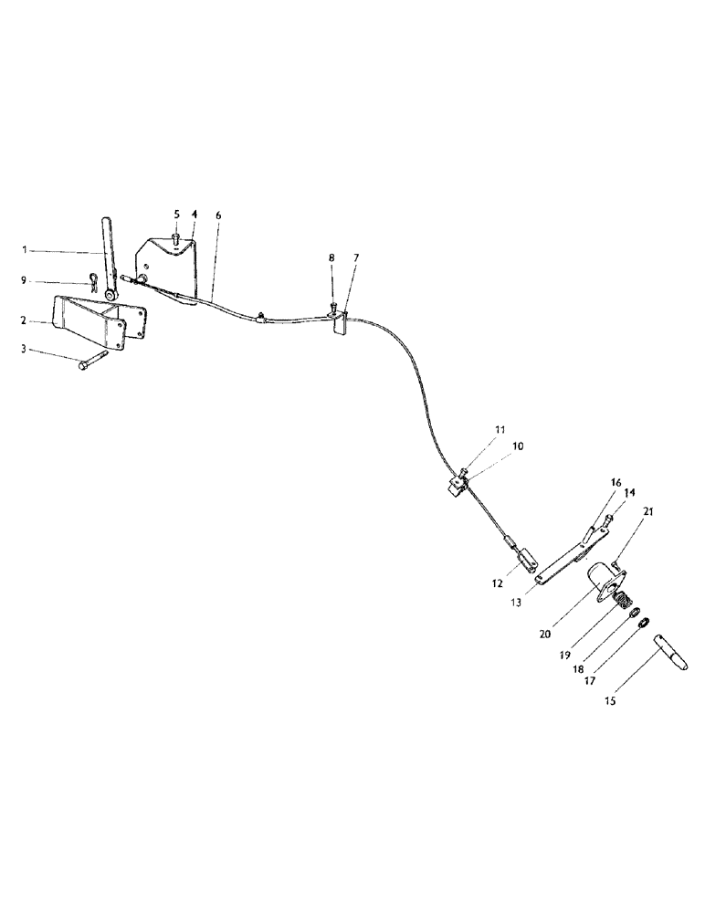
Запчасти Case IH LF-SERIES (08) - BUCKET DUMP MECHANISM, MECHANICAL, LF12M MODEL 1212, 1210, LF9M 996, 995, 990, LF8M MODEL 885

Схема запчастей Case IH LF-SERIES - (08) - BUCKET DUMP MECHANISM, MECHANICAL, LF12M MODEL 1212, 1210, LF9M 996, 995, 990, LF8M MODEL 885
19
3
16
7
17
1
5
14
20
11
9
6
21
8
13
18
4
10
12
2
15
FIT
1:1
100%

Артикул

Название

Примечание

Количество

1

K772827

LEVER

TRIP LEVER - bucket catch

1шт.

K626855

WASHER

5/8 in., Serial Range: lever-bracket

2шт.

K771626

FASTENER

SPRING CLIP, Serial Range: lever-bracket

1шт.

2

K773023

LEVER

SUPPORT BRACKET - trip lever, tractors without cab tractors with D.B. cab

1шт.

3

K691864

BOLT

3/8 UNC x 5 in. - bracket to loader, tractors without cab tractors with D.B. cab

2шт.

K692038

CABLE

CLIP - outer cable, tractors without cab tractors with D.B. cab

1шт.

4

K773020

LEVER

SUPPORT BRACKET - trip lever, tractors without cab tractors with D.B. cab, LF12M (1212, 1210), LF9M (996-5, 990)

1шт.

4

K773018

LEVER

SUPPORT BRACKET - trip lever, tractors without cab tractors with D.B. cab, LF8M (885)

1шт.

5

88206

BOLT,Hex, 3/8" - 16 x 1", Gr 5

Bracket to cab, Tractors without cab tractors with DB cab Hex, 3/8"-16 x 1", G5, Full Thd

1шт.

5

K602983

SCREW

SETSCREW, 3/8 UNC x 7/8 in., bracket to cab, tractors without cab tractors with D.B. cab

1шт.

K19482

SPRING WASHER

SPRING WASHER, 3/8 in.

2шт.

280136

NUT,3/8"-16, G8

2шт.

6

K772869

CABLE

123-1/2 in. - bucket catch, LF12M (1212, 1210)

1шт.

6

K772868

CABLE

112-1/2 in. - bucket catch. LF9M (996-5, 990)

1шт.

6

K772823

CABLE

106 in. - bucket catch, LF8M (885)

1шт.

K772961

CABLE

EXTENSION, 24 in. - catch cable, with boom extension

1шт.

K772587

CONNECTOR, ELEC

CONNECTOR, 1/4 UNF - extension to cable, with boom extension

1шт.

7

K772826

CABLE

ANCHOR BRACKET - outer cable

1шт.

8

K602733

SCREW

SETSCREW, 1/4 UNC x 5/8 in., Serial Range: bracket-boom

1шт.

K626341

SPRING WASHER

SPRING WASHER, 1/4 in., Serial Range: bracket-boom

1шт.

9

K771626

FASTENER

SPRING CLIP -, Serial Range: cable-lever

1шт.

10

K773748

CABLE

GUIDE ASSEMBLY

1шт.

K772828

CABLE

GUIDE BRACKET, 773748

1шт.

K772836

CABLE

ROLLER, 773748

1шт.

K626855

WASHER

5/8 in., 773748

2шт.

K23944

PIN

SPLIT PIN, 1/4 x 3/4 in., 773748

1шт.

11

K602733

SCREW

SETSCREW, 1/4 UNC x 5/8 in., Serial Range: guide-boom

1шт.

K626341

SPRING WASHER

SPRING WASHER, 1/4 in., Serial Range: guide-boom

1шт.

12

K771171

CABLE

CLEVIS, 1/4 UNF, cable to release arm

1шт.

K616980

NUT

1/4 UNF, cable to release arm

2шт.

K23944

PIN

SPLIT PIN, 1/4 x 3/4 in., cable to release arm

1шт.

13

K771343

PIN

RELEASE ARM - bucket catch

1шт.

14

K691819

SCREW

SETSCREW, 7/16 UNC x 1-3/8 in., Serial Range: arm-fork

1шт.

K607083

NUT

LOCKNUT, 7/16 UNC, Serial Range: arm-fork

2шт.

15

K772197

SPARE PART

PIN - bucket catch

1шт.

16

K691411

PIN

SPRING PIN, 10 x 50 MM

1шт.

17

K12207

RING, SNAP

CIRCLIP, 1-1/8 in. ext.

1шт.

18

K23953

WASHER

special

2шт.

19

K771773

SPRING

1шт.

K23953

WASHER

special

1шт.

20

K771338

CATCH

HOUSING - catch pin

1шт.

219-8

LUBE NIPPLE,1/4" - 28 NPTF

NIPPLE, LUBE, , ANF 1/4"-28 NPT x .54" lg

1шт.

21

K600359

BOLT

5/16 UNC x 1-1/4 in.

4шт.

231-1435

LOCK NUT,5/16"-18, GB

NYLOC NUT, 5/16 UNC

4шт.

Выбрано товаров: 44