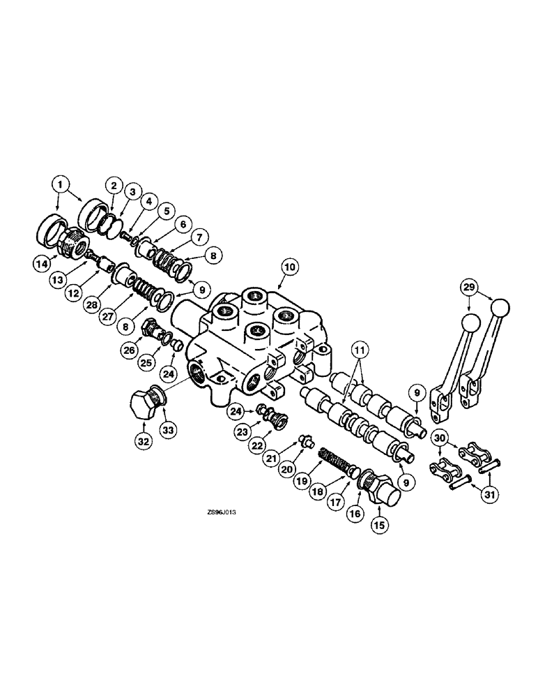
Запчасти Case IH 2250 (2-48) - HYDRAULIC CONTROL VALVE, EXTERNAL LOADER CONTROL

Схема запчастей Case IH 2250 - (2-48) - HYDRAULIC CONTROL VALVE, EXTERNAL LOADER CONTROL
24
5
33
16
2
32
14
20
8
1
11
9
24
21
19
9
18
12
26
6
15
9
27
31
8
25
17
30
22
3
10
23
28
13
29
4
7
FIT
1:1
100%

Артикул

Название

Примечание

Количество

852958C91

VALVE

ASSEMBLY - hydraulic control (replaces 851629C91, for service of valve 851629C91, also order the following items), Includes: Ref. 1 - 28

1шт.

1

36645

CAP

- bonnet (replaces 663034R1)

2шт.

2

663025R1

OIL SEAL

RING - end cap retaining

1шт.

3

663023R1

CAP

- end

1шт.

4

470-1258

SCREW,Slotted Pan Hd, 1/4"-20 x 1/2"

BOLT - pan head, 1/4 NC x 1/2 inch (replaces 20710R1)

1шт.

5

493-21026

LOCK WASHER,Int Tooth, 1/4"

WASHER - lock, internal tooth 1/4 inch (replaces 174878)

1шт.

6

36630

DRAWBAR SUPPORT

- spring (replaces 663022R1)

1шт.

7

851630C1

SPRING

- centering

1шт.

8

149372R1

WASHER

- stop, no longer available

2шт.

9

663032R1

O-RING

SEAL - control valve spool

4шт.

10

NSS

NOT SOLD SEPARAT

HOUSING - control valve, for service order valve 852958C91

1шт.

11

NSS

NOT SOLD SEPARAT

SPOOL - valve 4 way float, for service order valve 852958C91

2шт.

850839C91

KIT

- detent service (replaces 850911C91), Includes: Ref. 12 - 14

1шт.

12

NSS

NOT SOLD SEPARAT

PLUNGER - detent, order kit, 850839C91

1шт.

13

NSS

NOT SOLD SEPARAT

SCREW - detent, order kit, 850839C91

1шт.

14

NSS

NOT SOLD SEPARAT

DETENT ASSEMBLY - order kit, 850839C91

1шт.

15

D25846

BODY

- relief valve (replaces 380363R1), no longer available

1шт.

16

34115

GASKET

- relief valve body (replaces 663029R1)

1шт.

17

D25844

SHIM,.0097" Thk

Relief spring (Replaces 380365R1) .0097" Thk

1шт.

18

36660

WASHER

SPACER - relief spring (replaces 635788R1)

1шт.

19

478481R1

SPRING

- relief

1шт.

20

387135R1

GUIDE

- relief spring

1шт.

21

211-1014

BALL,7/16" Dia

- chrome alloy steel, 7/16 inch, grade 24 (replaces 17014R1)

1шт.

22

D28913

SEAT

- relief valve (replaces 380362R1)

1шт.

23

237-6008

O-RING,0.087" Thk x 0.644" ID, -908, Cl 6, 90 Duro

8-1, 90 Duro, .644" ID x .087" Thk (Replaces 570828R1)

1шт.

24

D28576

VALVE POPPET

BALL - 5/8 dia, relief valve (replaces 666719R1)

2шт.

25

238-5113

O-RING,0.103" Thk x 0.549" ID, -113, Cl 5, 75 Duro

Square section (Replaces 352221R1) -113, 70 Duro, .549" ID x .103" Thk

1шт.

26

D28574

PLUG

- check ball (replaces 666722R1)

1шт.

27

D32602

VALVE SPRING

SPRING - centering (replaces 851456C1)

1шт.

28

36652

COLLAR

- spring (replaces 635966R1)

1шт.

29

74017C91

KIT

HANDLE - control (replaces 380366R1)

2шт.

30

36640

DRAG LINK

LINK - handle (replaces 635714R91)

2шт.

187357

PIN - cotter, 1/16 x 1-1/2 inch, no longer available

2шт.

31

427-4121

CLEVIS PIN,6.35mm OD x 30.96mm L

PIN - handle (replaces q711)

2шт.

280236

COTTER PIN,1/16" x 1/2"

PIN, SPLIT (COTTER), 1/16" x 1/2"

2шт.

851636C91

KIT

- conversion plug, Includes: Ref. 32 & 33

1шт.

32

NSS

NOT SOLD SEPARAT

PLUG - conversion, order kit 851636C91

1шт.

33

D48086

SEAL,1.358" ID

SEAL - conversion plug (replaces 850249C1)

1шт.

Выбрано товаров: 38