Запчасти Case IH 2255 (8-20) - 1980799C1 CONTROL ASSEMBLY, HYDRAULIC VALVE, DIRECT, TRACTORS WITHOUT CAB (08) - HYDRAULICS

Схема запчастей Case IH 2255 - (8-20) - 1980799C1 CONTROL ASSEMBLY, HYDRAULIC VALVE, DIRECT, TRACTORS WITHOUT CAB (08) - HYDRAULICS
15
22
24
1
17
3
6
10
23
5
7
4
21
20
6
19
11
12
13
18
14
9
16
2
8
FIT
1:1
100%

Артикул

Название

Примечание

Количество

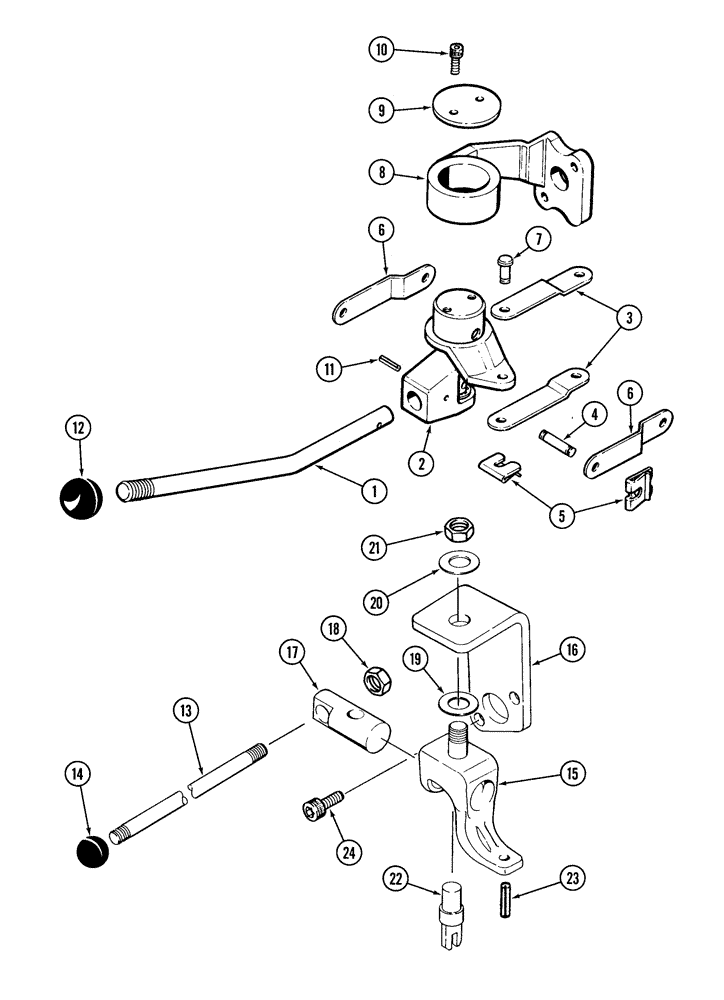
1980799C1

CONTROL

ASSEMBLY, hydraulic valve, (Order 128737A1), Includes Ref. 1 - 12

1шт.

1

1344845C1

HANDLE

valve control

1шт.

2

1344846C1

PIVOT

valve control handle

1шт.

3

1344822C1

LINK

valve control

2шт.

4

1344820C1

PIN

pivot

1шт.

5

1344819C1

RETAINER

pivot pin

3шт.

6

1344823C1

LINK

valve control

2шт.

7

1344818C1

PIN

headed

1шт.

8

1344817C1

BRACKET

control handle

1шт.

9

1344821C1

PLATE

clamp

1шт.

10

187828

SCREW

socket head, No. 10 x 1/2 inch

2шт.

11

438-11214

LOCK PIN,4.76mm OD x 22.23mm L, Slotted

3/16" x 7/8", Slotted

1шт.

12

53717DA

BUTTON

KNOB mono control lever

1шт.

128737A1

JOYSTICK

LEVER CONTROL ASSEMBLY, hydraulic valve, Includes Ref. 13 - 24

1шт.

13

128713A1

HANDLE

valve control

1шт.

14

128712A1

KNOB

control lever

1шт.

15

128710A1

BRACKET

pivot

1шт.

16

128895A1

BRACKET

mounting

1шт.

17

129004A1

AXLE

PIVOT valve control

1шт.

18

425-148

JAM NUT,Jam, 1/2"-13, G5

1шт.

19

128711A1

WASHER

plastic

1шт.

20

D78437

WASHER

Belleville

1шт.

21

231-2448

LOCK NUT,1/2"-20, GB

light hex, self locking 1/2 inch NF

1шт.

22

128714A1

CLEVIS

YOKE

1шт.

23

38-11208

LOCK PIN,3/16" x 1/2", Slotted

2шт.

24

128718A1

HEX SOC SCREW,Btn Hd, 1/4" - 20 x 5/8", HT

hex socket

2шт.

Выбрано товаров: 26