Запчасти Case IH 2255 (8-48) - BUCKET SELF LEVELING VALVE (08) - HYDRAULICS

Схема запчастей Case IH 2255 - (8-48) - BUCKET SELF LEVELING VALVE (08) - HYDRAULICS
4
10
14
6
16
11
15
10
17
11
3
5
10
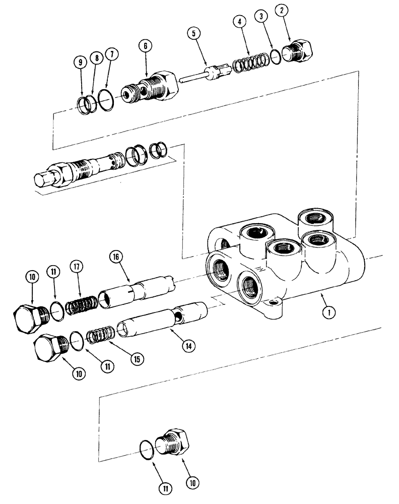
1
8
11
9
2
7
FIT
1:1
100%

Артикул

Название

Примечание

Количество

1329592C92

VALVE

ASSEMBLY, hydraulic, Includes Ref. 1 - 17

1шт.

1

NSS

NOT SOLD SEPARAT

BODY valve, (Order 1329592C92) 1

1шт.

2

214389

PLUG,3/4" - 16 ORB

1шт.

3

237-6008

O-RING,0.087" Thk x 0.644" ID, -908, Cl 6, 90 Duro

1шт.

4

NSS

NOT SOLD SEPARAT

SPRING poppet

1шт.

5

NSS

NOT SOLD SEPARAT

POPPET valve

1шт.

6

NSS

NOT SOLD SEPARAT

CARTRIDGE pilot check

1шт.

7

237-6012

O-RING,0.116" Thk x 0.924" ID, -912, Cl 6, 90 Duro

1шт.

8

NSS

NOT SOLD SEPARAT

BACKUP o-ring

1шт.

9

238-6018

O-RING,0.07" Thk x 0.739" ID, -18, Cl 6, 90 Duro

1шт.

10

86512512

PLUG,7/8" - 14 ORB

3шт.

11

237-6010

O-RING,0.097" Thk x 0.755" ID, -910, Cl 6, 90 Duro

3шт.

14

NSS

NOT SOLD SEPARAT

SPOOL flow divider (Order 1329592C92) 1

1шт.

15

NSS

NOT SOLD SEPARAT

SPRING flow divider spool (Order 1329592C92) 1

1шт.

16

NSS

NOT SOLD SEPARAT

SPOOL metering, (Order 1329592C92) 1

1шт.

17

NSS

NOT SOLD SEPARAT

SPRING metering spool, (Order 1329592C92) 1

1шт.

Выбрано товаров: 16