Запчасти Case IH 2350 (3-48) - LOADER CONTROL VALVE, WITH ONE SPOOL UNIBODY FOR FOURTH CIRCUIT

Схема запчастей Case IH 2350 - (3-48) - LOADER CONTROL VALVE, WITH ONE SPOOL UNIBODY FOR FOURTH CIRCUIT
17
2
16
3
3
14
22
15
19
12
13
24
23
11
4
9
7
21
20
10
6
5
16
8
1
4
FIT
1:1
100%

Артикул

Название

Примечание

Количество

851133C91

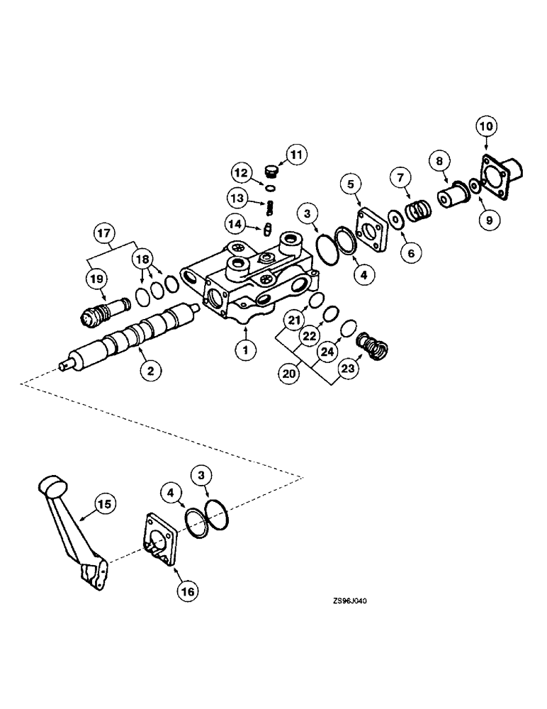
VALVE

ASSEMBLY - loader control one spool, Includes: Ref. 1 - 24

1шт.

1

NSS

NOT SOLD SEPARAT

HOUSING - valve, order valve assembly

1шт.

2

NSS

NOT SOLD SEPARAT

SPOOL - valve, order valve assembly

1шт.

3

238-5214

O-RING,0.139" Thk x 0.984" ID, -214, Cl 5, 75 Duro

(Replaces 350818R1) -214, 70 Duro, .984" ID x .139" Thk

2шт.

Part of valve seal kit P/N 851161C1

1шт.

4

D54585

WASHER

- O-ring back-up (replaces 851140C1)

2шт.

5

D54583

SPACER

- end cap (replaces 851150C1)

1шт.

6

851149C1

WASHER

- stop

1шт.

7

D54586

SPRING

- centering (replaces 851151C1)

1шт.

8

D54581

COLLAR CLAMP

COLLAR - spring (replaces 851152C1)

1шт.

61-3258

HEX SOC SCREW,1/4"-20 x 1/2"

SCREW - cap, hex socket 1/4 NC x 1/2 inch (replaces 216277)

1шт.

9

495-21031

WASHER,1/4"

- heavy lock, 5/16 inch (replaces 851153C1)

1шт.

10

D54582

CYLINDER END CAP

CAP - end (replaces 851154C1 )

1шт.

61-32512

HEX SOC SCREW,1/4 - 20 x 3/4"

SCREW, (Replaces 138201) Hex Soc Hd, 1/4"-20 x 3/4"

4шт.

11

D63363

PLUG

- load check (replaces 851168C1)

1шт.

12

237-6008

O-RING,0.087" Thk x 0.644" ID, -908, Cl 6, 90 Duro

8-1, 90 Duro, .644" ID x .087" Thk (Replaces 570828R1)

1шт.

Part of valve seal kit P/N 851161C1

1шт.

13

D54587

VALVE SPRING

SPRING - load check (replaces 851155C1)

1шт.

14

D54589

VALVE

- check (replaces 851156C1)

1шт.

15

851158C1

HANDLE

LEVER - control

1шт.

16

B17218

BRACKET

- handle (replaces 851159C1)

1шт.

61-3258

HEX SOC SCREW,1/4"-20 x 1/2"

SCREW - cap, hex socket, 1/4 NC x 1/2 inch (replaces 216277)

4шт.

17

D54590

PLUG

ASSEMBLY - no relief (replaces 851157C1), Includes: Ref. 18 & 19

1шт.

18

851165C1

SEAL KIT

- plug seal, consists of (2) O-rings and (1) washer

1шт.

Part of valve seal kit P/N 851161C1

1шт.

19

NSS

NOT SOLD SEPARAT

PLUG - order plug D54590

1шт.

20

851160C1

SLEEVE

ASSEMBLY - power beyond, Includes: Ref. 21 - 24

1шт.

21

238-5022

O-RING,0.07" Thk x 0.99" ID, -22, Cl 5, 75 Duro

-022, 70 Duro, .989" ID x .070" Thk, Sleeve (Replaces 851166C1)

1шт.

22

851167C1

WASHER

- back-up

1шт.

23

NSS

NOT SOLD SEPARAT

SLEEVE - order sleeve 851160C1

1шт.

24

237-6016

O-RING,0.116" Thk x 1.171" ID, -916, Cl 6, 90 Duro

- 1-11/64 ID x 7/64 inch wide (replaces 296247R1)

1шт.

Part of valve seal kit P/N 851161C1

1шт.

851161C1

SEAL KIT

- valve seal, Includes: Ref. 3, 12, 18 and 24

1шт.

Выбрано товаров: 33