Запчасти Case IH 2350 (5-20) - COTTON MASTER, DISCONTINUED 1978, 2350 AND 2450 LOADERS

Схема запчастей Case IH 2350 - (5-20) - COTTON MASTER, DISCONTINUED 1978, 2350 AND 2450 LOADERS
19
17
22
12
14
15
10
27
19
8
6
5
17
26
11
1
13
9
2
15
25
27
23
7
4
6
18
3
18
24
16
20
21
16
20
26
FIT
1:1
100%

Артикул

Название

Примечание

Количество

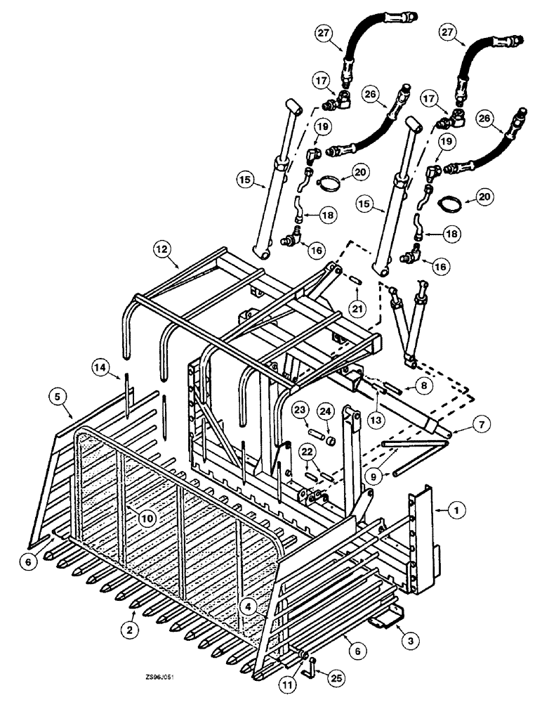
1

851052C1

FRAME

ASSEMBLY - main

1шт.

2

851051C1

TOOTH

- bottom

16шт.

413-648

BOLT,Hex, 3/8" - 16 x 3", Gr 5

(Replaces 180138) Hex, 3/8"-16 x 3", G5

26шт.

113-263

BOLT,Hex, 3/8" - 16 x 3-1/2", Gr 5, Full Thd

(Replaces 189305) Hex, 3/8"-16 x 3 1/2", G5, Full Thd

6шт.

425-106

NUT,3/8"-16, Cl 5

(Replaces 120377) 3/8"-16, G5

32шт.

492-11038

LOCK WASHER,3/8"

(Replaces 120382) 3/8"

32шт.

495-61041

WASHER,10.31mm ID x 25.4mm OD x 1.6mm Thk

(Replaces 619856R1) 3/8" x 1" x .063"

32шт.

3

851061C1

SHOE

- skid

3шт.

413-1024

BOLT,Hex, 5/8" - 11 x 1-1/2", Gr 5

(Replaces bolt 271547) Hex, 5/8"-11 x 1 1/2", G5, Full Thd

3шт.

425-1010

NUT,5/8"-11, G5

(Replaces 124589) 5/8"-11, G5

3шт.

492-11062

BEARING WASHER,5/8"

WASHER, LOCK, (Replaces 121574) 5/8"

3шт.

4

851058C1

TOOTH

ASSEMBLY - main side LH

1шт.

5

851059C1

TOOTH

ASSEMBLY - main side RH

1шт.

6

851060C1

TOOTH

ASSEMBLY - bottom side

2шт.

413-632

BOLT,Hex, 3/8" - 16 x 2", Gr 5

(Replaces 180130) Hex, 3/8"-16 x 2", G5

8шт.

425-106

NUT,3/8"-16, Cl 5

(Replaces 120377) 3/8"-16, G5

8шт.

492-11038

LOCK WASHER,3/8"

(Replaces 120382) 3/8"

8шт.

7

851057C1

ARM

ASSEMBLY - push-off rack swing

1шт.

8

1329594C1

PIN,28.57mm OD x 195mm L

- swing arm pivot (replaces 851771C1)

2шт.

851126C1

CLEVIS PIN

PIN - clevis, 5/16 x 2 inch

2шт.

432-68

COTTER PIN,3/32" x 1/2"

PIN, SPLIT (COTTER), (Replaces 103372) 3/32" x 1/2"

2шт.

9

851063C1

BAR

- push-off linkage

4шт.

413-832

BOLT,Hex, 1/2" - 13 x 2", Gr 5

(Replaces 180181) Hex, 1/2"-13 x 2", G5

4шт.

413-1048

BOLT,Hex, 5/8" - 11 x 3", Gr 5

(Replaces 271727) Hex, 5/8"-11 x 3", G5

2шт.

425-108

NUT,1/2" - 13, Gr 5

NUT, , Hex (Replaces 120378) 1/2"-13, G5

4шт.

425-1010

NUT,5/8"-11, G5

(Replaces 124589) 5/8"-11, G5

4шт.

80679

LOCK WASHER,1/20.507 CST ZND

WASHER, LOCK, (Replaces washer 120384) 1/2"

4шт.

10

851053C1

RACK

ASSEMBLY - push-off

1шт.

11

851064C1

ROLLER

- push-off rack

2шт.

851126C1

CLEVIS PIN

PIN - clevis, 5/16 x 2 inch

4шт.

432-68

COTTER PIN,3/32" x 1/2"

PIN, SPLIT (COTTER), (Replaces 103372) 3/32" x 1/2"

4шт.

12

851056C1

ARM

ASSEMBLY - grapple

1шт.

219-15

LUBE NIPPLE,5/16" NPTF

FITTING - grease, 5/16 inch straight (replaces 109455)

2шт.

13

851506C1

PIN

- grapple pivot

2шт.

851126C1

CLEVIS PIN

PIN - clevis, 5/16 x 2 inch

2шт.

432-68

COTTER PIN,3/32" x 1/2"

PIN, SPLIT (COTTER), (Replaces 103372) 3/32" x 1/2"

2шт.

14

851062C1

TOOTH

- grapple

5шт.

425-1012

NUT,3/4"-10, G5

- hex, 3/4 inch NC (replaces 220086)

5шт.

15

851035C91

CYLINDER

ASSEMBLY - cotton master, parts list Figure 5-31, no longer available, order T53894 cylinder, see below

1шт.

15

T53894

CYLINDER ASSY.

CYLINDER ASSEMBLY - cotton master, parts list Figure 5-31

1шт.

219-15

LUBE NIPPLE,5/16" NPTF

FITTING - grease, 5/16 inch straight (replaces 109455)

4шт.

16

218-5106

90 ELBOW,90 Degree Elbow, 3/4" - 16 Male JIC x 3/4" - 16 Male ORB

- 90 degree, 3/4-16 inch flare x adj O-ring boss (replaces 9410977), Includes: o-ring

2шт.

237-6008

O-RING,0.087" Thk x 0.644" ID, -908, Cl 6, 90 Duro

8-1, 90 Duro, .644" ID x .087" Thk (Replaces 570828R1)

2шт.

17

218-5203

90 ELBOW,90 Degree, 3/4"-16 O-Ring x 1/2" NPSM Fem

- cylinder assembly (replaces 851088C1), Includes: o-ring

2шт.

237-6008

O-RING,0.087" Thk x 0.644" ID, -908, Cl 6, 90 Duro

8-1, 90 Duro, .644" ID x .087" Thk (Replaces 570828R1)

2шт.

18

851004C1

TUBE,19.187" L

ASSEMBLY - cylinder rear port

2шт.

19

218-927

ELBOW,90 Degree, 1/2" NPTF Male x 1/2" NPSM Fem Sw

FITTING - 90 degree, 1/2 female pipe x 1/2 inch male pipe (replaces 293351R91)

2шт.

20

214-1440

HOSE CLAMP,#40, 2.06" - 3", Type F Worm

CLAMP - tube, cylinder cotton master (replaces 279028R91)

2шт.

21

61073C1

AXLE PIN

PIN - cylinder upper (replaces 378479R1)

2шт.

851126C1

CLEVIS PIN

PIN - clevis, 5/16 x 2 inch

2шт.

432-68

COTTER PIN,3/32" x 1/2"

PIN, SPLIT (COTTER), (Replaces 103372) 3/32" x 1/2"

2шт.

22

851444C1

PIN

- pivot, cylinder lower

2шт.

851126C1

CLEVIS PIN

PIN - clevis, 5/16 x 2 inch

2шт.

432-68

COTTER PIN,3/32" x 1/2"

PIN, SPLIT (COTTER), (Replaces 103372) 3/32" x 1/2"

2шт.

23

1329594C1

PIN,28.57mm OD x 195mm L

- boom and bucket cylinder (replaces 851771C1)

4шт.

851126C1

CLEVIS PIN

PIN - clevis, 5/16 x 2 inch

4шт.

432-68

COTTER PIN,3/32" x 1/2"

PIN, SPLIT (COTTER), (Replaces 103372) 3/32" x 1/2"

4шт.

24

378555R1

SPACER

BUSHING - spacer

4шт.

25

851065C1

RETAINER

ASSEMBLY - roller

2шт.

413-824

BOLT,Hex, 1/2" - 13 x 1-1/2", Gr 5

(Replaces 179885) Hex, 1/2"-13 x 1 1/2", G5, Full Thd

2шт.

425-108

NUT,1/2" - 13, Gr 5

NUT, , Hex (Replaces 120378) 1/2"-13, G5

2шт.

80679

LOCK WASHER,1/20.507 CST ZND

WASHER, LOCK, (Replaces washer 120384) 1/2"

2шт.

26

851113C1

HOSE

ASSEMBLY - third and fourth cylinder, 72 inch long

2шт.

27

851114C1

HOSE

ASSEMBLY - third and fourth cylinder, 84 inch long

2шт.

Выбрано товаров: 64