Запчасти Case IH 2450 (4-30) - TRACTOR VALVE TO EXTERNAL VALVE SYSTEM, USING ONE THREE SPOOL VALVE WITH ONE SINGLE SPOOL VALVE

Схема запчастей Case IH 2450 - (4-30) - TRACTOR VALVE TO EXTERNAL VALVE SYSTEM, USING ONE THREE SPOOL VALVE WITH ONE SINGLE SPOOL VALVE
20
8
16
5
7
15
7
10
7
4
11
21
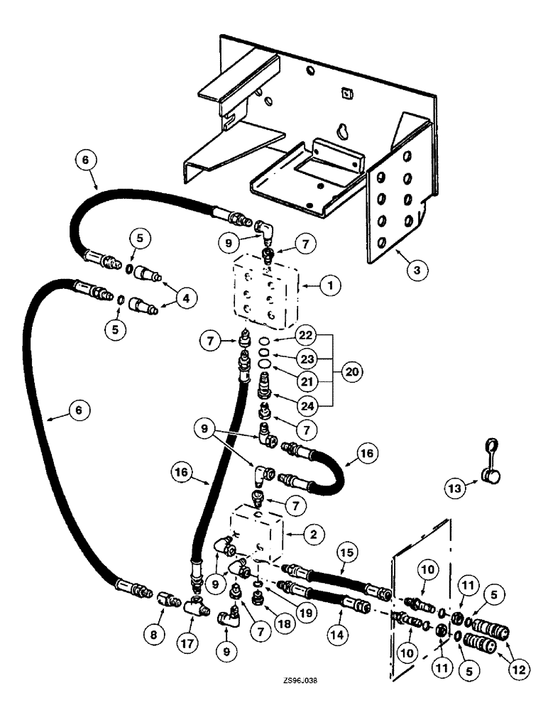
3
18
12
9
9
24
5
19
9
1
6
22
9
5
23
13
5
2
16
14
17
10
7
11
7
6
FIT
1:1
100%

Артикул

Название

Примечание

Количество

1

REF

INSTRUCTION

VALVE ASSEMBL - three spool hydraulic valve with tubes and connections, refer to tractor valve to external valve

1шт.

2

851133C91

VALVE

ASSEMBLY - loader control, one spool unibody

1шт.

413-640

BOLT,Hex, 3/8" - 16 x 2-1/2", Gr 5

- hex, 3/8 NC x 2-1/2 inch (Replaces 180134)

3шт.

425-106

NUT,3/8"-16, Cl 5

(Replaces 120377) 3/8"-16, G5

3шт.

492-11038

LOCK WASHER,3/8"

(Replaces 120382) 3/8"

3шт.

3

851131C1

BRACKET

ASSEMBLY - control valve mouting

1шт.

413-1224

BOLT,Hex, 3/4" - 10 x 1-1/2", Gr 5

- hex, 3/4 NC x 1-1/2 inch (replaces 271767)

2шт.

413-1256

BOLT,Hex, 3/4" - 10 x 3-1/2", Gr 5

(Replaces 271777) Hex, 3/4"-10 x 3 1/2", G5

2шт.

492-11075

LOCK WASHER,3/4"

(Replaces washer 131046) 3/4"

4шт.

4

REF

INSTRUCTION

COUPLER ASSEMBLY - hose male, refer to hydraulic couplers, Figure 4-33

2шт.

5

237-6010

O-RING,0.097" Thk x 0.755" ID, -910, Cl 6, 90 Duro

10-1, 90 Duro, .755" ID x .097" Thk (Replaces 364885R1)

4шт.

6

REF

INSTRUCTION

HOSE - 85 inch long, tractor valve to external valve, SAE 100R2 two wire braid with 7/8-14 male fixed O-ring boss at one end and 1/2-14 male pipe rigid at other end, recommended hydraulics, for service order 4300189R91 hose

2шт.

6

4300189R91

HOSE

ASSEMBLY - 1/2 ID x 85 inch long, 7/8-14 male fixed O-ring boss and 1/2 male fixed pipe rigid, no longer available

2шт.

7

221-93

REDUCER,Hex, 3/4" x 1/2" NPT

ADAPTOR - valve assembly, loader control (replaces 144034)

5шт.

8

T53145

CHECK VALVE

VALVE ASSEMBLY - hyd pressure check (replaces 851097C91)

1шт.

9

218-927

ELBOW,90 Degree, 1/2" NPTF Male x 1/2" NPSM Fem Sw

FITTING - 90 degree, 1/2 female pipe x 1/2 inch male pipe (replaces 293351R91)

6шт.

10

218-675

FITTING,Blkhd, 7/8"-14, 37 Degree x 7/8"-14, 37 Degree

UNION - bulkhead, 5/8 inch (replaces 9403256)

2шт.

495-21094

WASHER,7/8"

- flat, 15/16 x 2-1/4 x 9-64 inch (replaces 131001)

4шт.

11

218-1251

BHD LOCK NUT,Blkhd, 7/8"-14

NUT, LOCK, , 5/8 inch OD tube (Replaces 9403295) Blkhd, 7/8"-14

2шт.

12

T55720

COUPLING

COUPLER ASSEMBLY - self-sealing, female pioneer no. 4050-16, for use withmale coupling 851108C91 with pioneer no. 5010-4 (replaces 851109C91)

2шт.

12

1282338C91

COUPLING, QUICK, FEM

COUPLING - self-sealing, female, 7/8-14 inch, ISO standard, for use with 1272399C2, coupling on external valve (replaces 395150R91)

2шт.

13

373220R1

PLUG

- dust, plastic

2шт.

13

1954133C1

PLUG

PLUG ASSEMBLY - coupling dust, rubber (replaces 401757R11)

2шт.

14

851134C1

HOSE

ASSEMBLY - fourth circuit control front, 12 inch long

1шт.

15

851135C1

HOSE

ASSEMBLY - fourth circuit control rear,15 inch long

1шт.

16

851136C1

HOSE

ASSEMBLY - valve to valve and outlet tee,16 inch long

2шт.

17

217-54

TEE,1/2"-14 NPTF Fem x 1/2"-14 NPTF Male Run

- pipe (replaces 444152)

1шт.

18

273916

PLUG,Hex, 1-5/16" - 12 ORB

(Replaces 9410363), Includes Ref. 19 Hex Hd, 1 5/16"-12 ORB

1шт.

19

237-6016

O-RING,0.116" Thk x 1.171" ID, -916, Cl 6, 90 Duro

- 1-11/64 ID x 7/64 inch wide (replaces 296247R1)

1шт.

20

851160C1

SLEEVE

ASSEMBLY - power beyond, part of 851133C91 valve assembly, Includes: Ref. 21 - 24

1шт.

21

237-6016

O-RING,0.116" Thk x 1.171" ID, -916, Cl 6, 90 Duro

- 1-11/64 ID x 7/64 inch wide (replaces 296247R1)

1шт.

22

238-5022

O-RING,0.07" Thk x 0.99" ID, -22, Cl 5, 75 Duro

-022, 70 Duro, .989" ID x .070" Thk, Sleeve (Replaces 851166C1)

1шт.

23

851167C1

WASHER

- sleeve back-up

1шт.

24

NSS

NOT SOLD SEPARAT

SLEEVE - order sleeve 851160C1

1шт.

1341843C1

QUICK MALE COUPLING

COUPLER - self-sealing, male, 7/8-14 inch thread (replaces 544787R91)

1шт.

The male hydraulic couplers are available to match female couplers on the tractor.

1шт.

1272399C2

QUICK MALE COUPLING

COUPLER - self-sealing, male, 7/8 inch NF, ISO standard, (replaces 395149R1)

1шт.

The male hydraulic couplers are available to match female couplers on the tractor.

1шт.

1285718C2

QUICK MALE COUPLING

COUPLER - self-sealing, male, 3/4-16 inch thread, ISO standard

1шт.

The male hydraulic couplers are available to match female couplers on the tractor.

1шт.

237-6010

O-RING,0.097" Thk x 0.755" ID, -910, Cl 6, 90 Duro

10-1, 90 Duro, .755" ID x .097" Thk (Replaces 364885R1)

1шт.

237-6008

O-RING,0.087" Thk x 0.644" ID, -908, Cl 6, 90 Duro

8-1, 90 Duro, .644" ID x .087" Thk (Replaces 570885R1)

1шт.

218-5261

ADAPTER,7/8" - 14 ORB x 3/4" - 16 ORB

- straight, 7/8-14 male O-ring boss x 3/4 inch female (replaces 407045R1)

1шт.

1252129C1

ADAPTER,7/8" - 14 ORB x 3/4" - 16 ORB

BUSHING - reducer (replaces 407545R1)

1шт.

1282459C1

PACKAGE

KIT - coupler tag, male coupler ID tag, consists of (4) tag, black (NSS), (4) tag, green (NSS), (4) tag, blue (NSS), instructions (NSS)

1шт.

Выбрано товаров: 0