Запчасти Case IH 520 (8-16) - EXTERNAL VALVE MOUNTING, TRACTORS WITH CABS (08) - HYDRAULICS

Схема запчастей Case IH 520 - (8-16) - EXTERNAL VALVE MOUNTING, TRACTORS WITH CABS (08) - HYDRAULICS
FIT
1:1
100%

Артикул

Название

Примечание

Количество

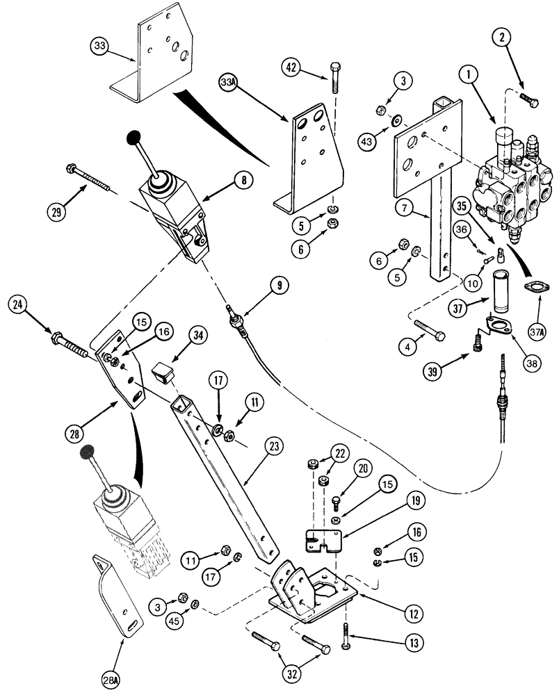
1

105080A1

VALVE

ASSY., control, two spool, see Figure 8-30

1шт.

2

413-620

BOLT,Hex, 3/8" - 16 x 1-1/4", Gr 5

4шт.

3

231-4116

NUT,3/8"-16, GB

hex, self-locking, 3/8 inch NC

5шт.

4

413-844

BOLT,Hex, 1/2" - 13 x 2-3/4", Gr 5

hex, 1/2 NC x 2-3/4 inch

2шт.

5

80679

LOCK WASHER,1/20.507 CST ZND

4шт.

6

425-108

NUT,1/2" - 13, Gr 5

4шт.

7

1980786C2

SUPPORT

valve mounting, 4-cylinder tractor

1шт.

8

105042A1

LEVER

CONTROL ASSY., hydraulic valve, mono valve, see Figure 8-26

1шт.

9

105104A1

CABLE

control

2шт.

10

427-3071

CLEVIS PIN,3/16" x .719"

clevis, hardened, 3/16 x 23/32 inch

2шт.

11

425-106

NUT,3/8"-16, Cl 5

3шт.

12

1980804C1

BRACKET

remote control

1шт.

13

413-436

BOLT,Hex, 1/4" - 20 x 2-1/4", Gr 5

4шт.

15

492-11025

LOCK WASHER,1/4"

9шт.

16

425-104

NUT,1/4"-20, Cl 5

7шт.

17

492-11038

LOCK WASHER,3/8"

3шт.

19

1978991C1

COVER

PLATE

1шт.

20

413-412

BOLT,Hex, 1/4" - 20 x 3/4", Gr 5

2шт.

22

248-1243

GROMMET,1/2" ID x 13/16" Groove Dia, Diag Cut

Rubber

2шт.

23

1980802C1

TUBE,38.1 mm OD

bracket, control lever

1шт.

24

413-640

BOLT,Hex, 3/8" - 16 x 2-1/2", Gr 5

2шт.

28

105053A1

BAR

BRACKET control lever, no longer available, order 105112A1, Ref. 28A

1шт.

28a

105112A1

BRACKET

control lever

1шт.

29

413-468

BOLT,Hex, 1/4" - 20 x 4-1/4", Gr 5

BOLT hex, 1/4 NC 4-1/2

3шт.

32

413-640

BOLT,Hex, 3/8" - 16 x 2-1/2", Gr 5

2шт.

33

1985079C1

BRACKET

coupler mounting, 6-cylinder tractor, no longer available, order 1980539C2, Ref. 33A

1шт.

33a

1980539C2

BRACKET

coupler mounting, 6-cylinder tractor

1шт.

34

1980805C1

PLUG

tubing square

1шт.

35

1980792C1

ADAPTER

cable

2шт.

36

432-48

COTTER PIN,1/16" x 1/2"

2шт.

37

1340478C1

HOUSING

support, cable

2шт.

37a

105116A1

GASKET

cable housing

2шт.

38

1980783C1

FLANGE

cable support housing

2шт.

39

461-32512

HEX SOC SCREW,1/4"-20 x 3/4"

BOLT hex socket, 1/4 NC x 3/4 inch

4шт.

42

413-824

BOLT,Hex, 1/2" - 13 x 1-1/2", Gr 5

2шт.

43

495-11041

WASHER,0.406" ID x 0.812" OD x 0.065" W

Flat, (13/32 x 13/16 x 1/16")

5шт.

1985078C1

KIT

coupler tag, color-coded

1шт.

Выбрано товаров: 37