Запчасти Case IH 520 (8-18) - EXTERNAL VALVE MOUNTING, TRACTORS WITH ROPS (08) - HYDRAULICS

Схема запчастей Case IH 520 - (8-18) - EXTERNAL VALVE MOUNTING, TRACTORS WITH ROPS (08) - HYDRAULICS
FIT
1:1
100%

Артикул

Название

Примечание

Количество

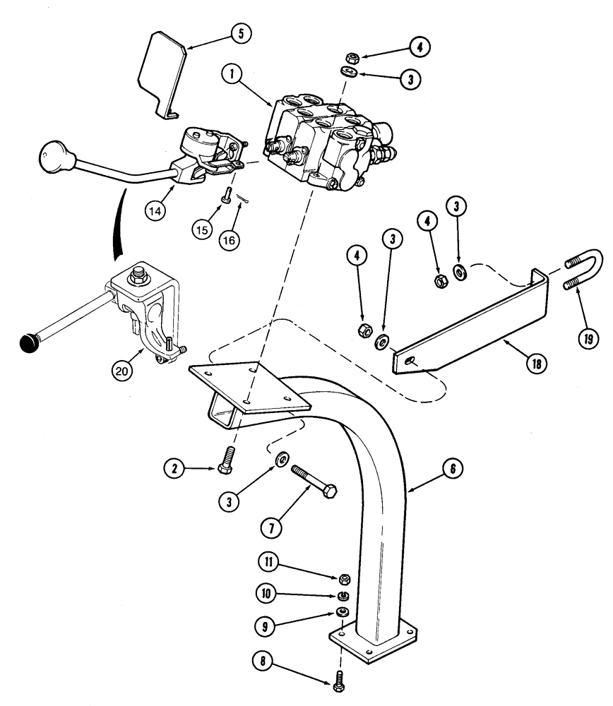
1

105080A1

VALVE

ASSY., control, two spool, see Figure 8-30

1шт.

2

413-620

BOLT,Hex, 3/8" - 16 x 1-1/4", Gr 5

4шт.

3

495-11041

WASHER,0.406" ID x 0.812" OD x 0.065" W

Flat, (13/32 x 13/16 x 1/16")

7шт.

4

231-4116

NUT,3/8"-16, GB

hex, self-locking, 3/8 inch NC

7шт.

5

1329586C1

SUPPORT

PLATE decal mounting

1шт.

6

105106A1

SUPPORT ASSY.

valve mounting

1шт.

7

413-648

BOLT,Hex, 3/8" - 16 x 3", Gr 5

1шт.

8

413-416

BOLT,Hex, 1/4" - 20 x 1", Gr 5

4шт.

9

495-21031

WASHER,1/4"

flat, 5/16 x 3/4 x 1/16 inch, no longer used, not required

4шт.

10

492-11025

LOCK WASHER,1/4"

4шт.

11

425-104

NUT,1/4"-20, Cl 5

4шт.

14

1980799C1

CONTROL

ASSY., hydraulic valve, see Figure 8-28, no longer available, order 128737A1, Ref. 20

1шт.

15

427-3071

CLEVIS PIN,3/16" x .719"

clevis, hardened, 3/16 x 23/32 inch, if used

2шт.

16

432-48

COTTER PIN,1/16" x 1/2"

If used

2шт.

18

105107A1

BRACE

BRACKET hydraulic valve mounting

1шт.

19

137314C2

U-BOLT,3/8" - 16 x 38.10mm W x 46mm L

valve mounting brace

1шт.

20

128737A1

JOYSTICK

LEVER CONTROL ASSY., hydraulic valve, see Figure 8-28, also see Figure 8-28 for 38-11208 roll pin used with this control assy.

1шт.

Выбрано товаров: 17