Запчасти Case IH 520 (8-34) - EXTERNAL HYDRAULIC CONTROL VALVE, BUCKET SPOOL SECTION (08) - HYDRAULICS

Схема запчастей Case IH 520 - (8-34) - EXTERNAL HYDRAULIC CONTROL VALVE, BUCKET SPOOL SECTION (08) - HYDRAULICS
FIT
1:1
100%

Артикул

Название

Примечание

Количество

105080A1

VALVE

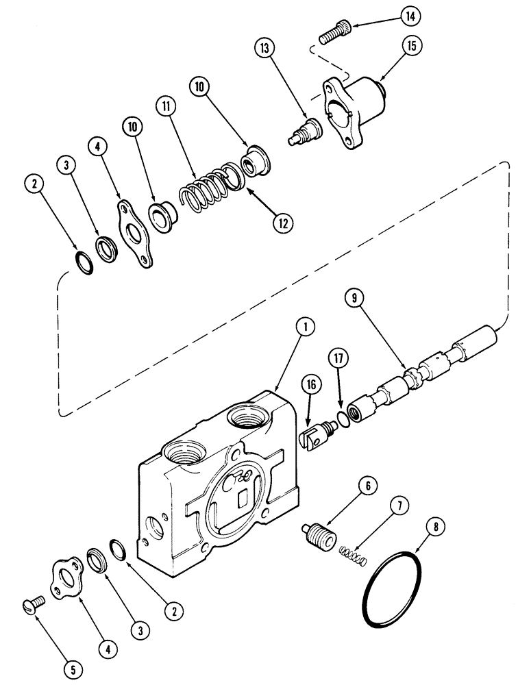
ASSY., control, two spool hydraulic, Includes: 105084A1, 105088A1 and Ref. 1 - 17

1шт.

105084A1

SPOOL

SECTION ASSY., bucket, regenerative

1шт.

105088A1

VALVE BLOCK

SECTION ASSY., spool bucket, nonregenerative

1шт.

1

NSS

NOT SOLD SEPARAT

BODY spool section, order 105084A1

1шт.

2

1344740C1

O-RING,0.103" Thk x 0.549" ID, -113, 60 Duro

detent spool

2шт.

3

S111870

OIL SCRAPER RING

SEAL

2шт.

4

S111865

PLATE

seal

2шт.

5

340-1256

SCREW,Cross Pan Hd, 1/4"-20 x 3/8"

machine, pan Phillips, 1/4 NC x 3/8 inch

2шт.

6

1344738C1

PISTON

compensator

1шт.

7

1344737C1

SPRING

compression

1шт.

8

238-5228

O-RING,0.139" Thk x 2.234" ID, -228, Cl 5, 75 Duro

1шт.

9

NSS

NOT SOLD SEPARAT

SPOOL regenerative valve, order 105084A1

1шт.

9a

NSS

NOT SOLD SEPARAT

SPOOL nonregenerative valve, order 105088A1, not shown

1шт.

10

1344732C1

SEAT

spring

2шт.

11

1344735C1

SPRING

compression

1шт.

12

105089A1

SPACER

spring

1шт.

13

1344729C1

END

STOP spool

1шт.

14

61-32512

HEX SOC SCREW,1/4 - 20 x 3/4"

2шт.

15

S111869

CAP

spool

1шт.

16

105085A1

CLEVIS

end

1шт.

17

237-6003

O-RING,0.064" Thk x 0.301" ID, -903, Cl 6, 90 Duro

1шт.

Выбрано товаров: 21