Запчасти Case IH 520 (9-22) - FOUR-TINE GRAPPLE (09) - CHASSIS/ATTACHMENTS

Схема запчастей Case IH 520 - (9-22) - FOUR-TINE GRAPPLE (09) - CHASSIS/ATTACHMENTS
FIT
1:1
100%

Артикул

Название

Примечание

Количество

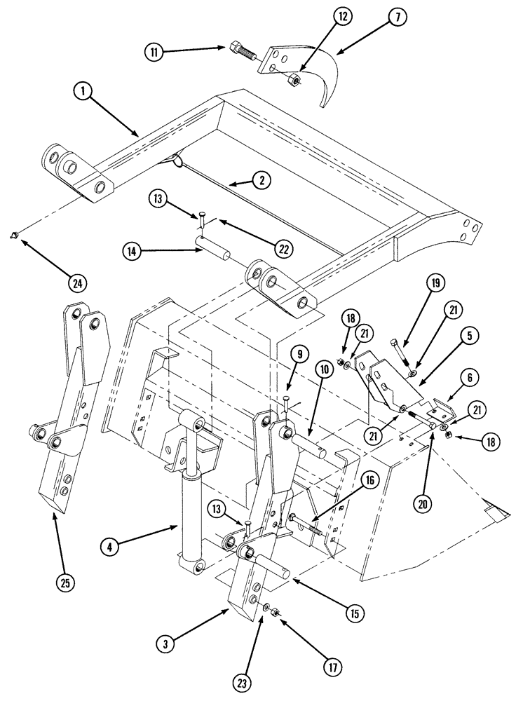
1

1985063C1

FRAME ASSY

ARM swing

1шт.

2

105000A1

CABLE

62-1/2 inch

1шт.

3

1985070C1

PEDESTAL

right-hand

1шт.

4

T57744

CYLINDER

ASSY., 2-1/2 (64) ID x 8-3/4 inch (222 mm) stroke grapple, see Figure 8-24

2шт.

5

1985068C1

ANGLE

SUPPORT, pedestal for heavy duty buckets

2шт.

5

105022A1

SUPPORT ASSY.

pedestal for general purpose buckets

2шт.

6

1985064C1

ANGLE

BRACKET support

2шт.

7

1985089C1

TOOTH

grapple

4шт.

9

427-6225

CLEVIS PIN,3/8" x 2 1/4"

hardened, 3/8 x 2-1/4 inch

2шт.

10

T58133

HEADLESS PIN,33.34mm OD x 170mm L

1-5/16 x 6-5/8 inch

2шт.

11

413-1240

BOLT,Hex, 3/4" - 10 x 2-1/2", Gr 5

8шт.

12

231-14412

LOCK NUT,3/4"-10, GB

hex, NC

8шт.

13

851126C1

CLEVIS PIN

clevis, 5/16 x 2 inch

4шт.

14

T53095

HEADLESS PIN,28.57mm OD x 125mm L

1-1/8 x 4-1/2 inch

2шт.

Change made to Ref. 14 on June 12, 1995. Total length was 4.48" and is now 4.92". No sub.

1шт.

15

1344768C1

HEADLESS PIN,28.57mm OD x 168mm L

1-1/8 x 6-1/2 inch

2шт.

16

433-1088

CARRIAGE BOLT,Sq Nk, 5/8" - 11 x 5 1/2", Gr 5

carriage, 5/8 NC x 5-1/2 inch

6шт.

17

231-41110

LOCK NUT,5/8"-11, GB

6шт.

18

231-4118

LOCK NUT,1/2"-13, GB

hex, self-locking, 1/2 inch NC

8шт.

19

413-856

BOLT,Hex, 1/2" - 13 x 3-1/2", Gr 5

4шт.

20

413-888

BOLT,Hex, 1/2" - 13 x 5-1/2", Gr 5

hex, 1/2 NC x 5-1/2 inch

4шт.

21

495-11053

WASHER,1/2", SAE

(17/32" x 1-1/16" x 3/32")

16шт.

22

432-612

COTTER PIN,3/32" x 3/4"

6шт.

23

495-21069

WASHER,5/8"

flat, 11/16 x 1-3/4 x 1/8 inch

6шт.

24

219-87

LUBE NIPPLE,1/4" - 28 NPTF

6шт.

25

1985071C1

PEDESTAL

left-hand

1шт.

Выбрано товаров: 26