Запчасти Case IH 5QA (9-20) - FORK LIFT / GRILLE GUARD (09) - CHASSIS/ATTACHMENTS

Схема запчастей Case IH 5QA - (9-20) - FORK LIFT / GRILLE GUARD (09) - CHASSIS/ATTACHMENTS
FIT
1:1
100%

Артикул

Название

Примечание

Количество

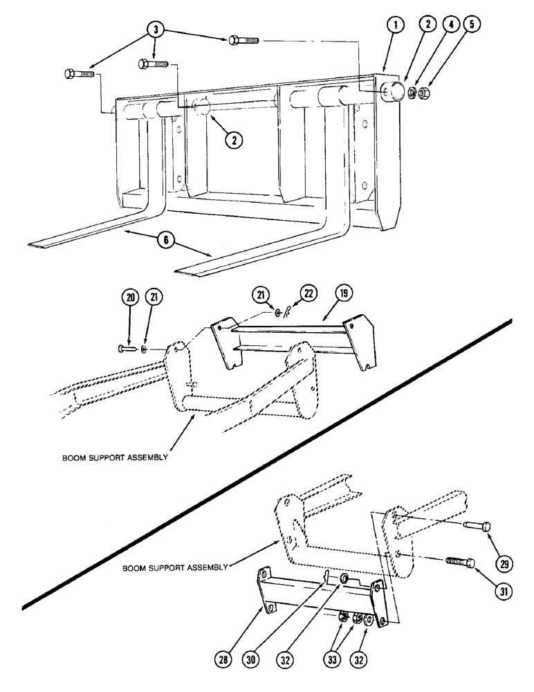
1337250C1

LIFT ASSEMBLY, fork, 36 inch, Machinery item, Includes: Ref. 1 - 6

1шт.

5QA loader attachment, Includes: P/N 1337251C1, 1337255C1.

1шт.

7QA loader attachment, Includes: P/N 1969351C1.

1шт.

1

1960698C1

FRAME

ASSEMBLY fork lift, Includes: Ref. 2 - 5

1шт.

2

1969174C1

SHAFT

mounting, fork

2шт.

3

413-424

BOLT,Hex, 1/4" - 20 x 1-1/2", Gr 5

4шт.

4

492-11025

LOCK WASHER,1/4"

4шт.

5

425-104

NUT,1/4"-20, Cl 5

4шт.

6

1969175C1

FORK

lifting, 36 inch

2шт.

1337251C1

ATTACHMENT lift, fork, 42 inch, Machinery item, Includes: Ref. 1 - 6

1шт.

Part of 10QA loader attachment.

1шт.

Part of 5QA loader attachment.

1шт.

1

1973093C1

FRAME

fork lift, Includes: Ref. 2 - 5

1шт.

2

1973094C1

SHAFT

mounting, fork

2шт.

3

413-640

BOLT,Hex, 3/8" - 16 x 2-1/2", Gr 5

4шт.

4

492-11038

LOCK WASHER,3/8"

4шт.

5

425-106

NUT,3/8"-16, Cl 5

4шт.

6

1973095C1

FORK

SPARE PART lifting, 42 inch

2шт.

1337255C1

ATTACHMENT guard, grille, Machinery item, Includes: Ref. 19 - 22

1шт.

Part of 5QA loader attachment.

1шт.

19

1960671C1

GUARD

grille

1шт.

20

22635R1

HEADED PIN,1/2" x 1 1/4"

2шт.

21

495-11053

WASHER,1/2", SAE

(17/32"x 1-1/16" x 5/64")

4шт.

22

407212R1

COTTER PIN

PIN hair (Package of 20)

2шт.

1969351C1

ATTACHMENT guard, grille, Machinery item, Includes: Ref. 28 - 33

1шт.

Part of 7QA loader attachment.

1шт.

28

1969240C1

GUARD

grille

1шт.

29

22635R1

HEADED PIN,1/2" x 1 1/4"

2шт.

30

407212R1

COTTER PIN

PIN hair (Package of 20)

2шт.

31

413-828

BOLT,Hex, 1/2" - 13 x 1-3/4", Gr 5

2шт.

32

495-11053

WASHER,1/2", SAE

(17/32"x 1-1/16" x 5/64")

4шт.

33

425-108

NUT,1/2" - 13, Gr 5

4шт.

Выбрано товаров: 32