Запчасти Case IH L300 (8-26) - HYDRAULICS, EXTERNAL VALVE, 3 FUNCTION MID MOUNT (08) - HYDRAULICS

Схема запчастей Case IH L300 - (8-26) - HYDRAULICS, EXTERNAL VALVE, 3 FUNCTION MID MOUNT (08) - HYDRAULICS
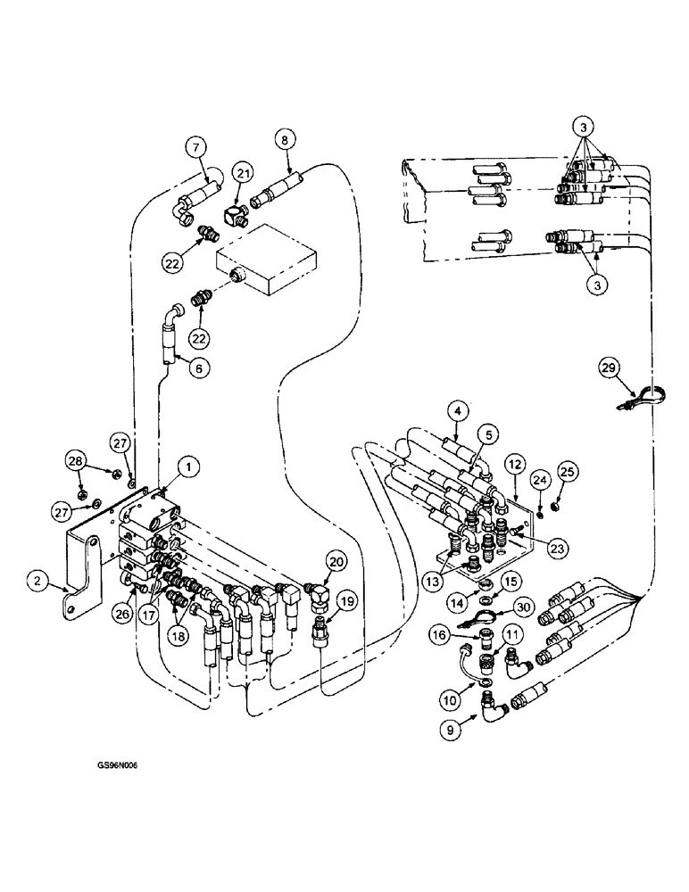
7
19
24
28
9
17
25
14
27
21
26
12
2
30
22
22
16
23
5
20
6
27
18
15
13
1
8
4
3
3
29
11
10
FIT
1:1
100%

Артикул

Название

Примечание

Количество

1

REF

INSTRUCTION

VALVE ASSY., Control, See Figure: 8-38

1шт.

2

246939A2

SUPPORT

BRACKET

1шт.

3

222663A1

HOSE

1677 mm (66 in)

6шт.

4

222639A2

HOSE ASSY.

1829 mm (72 in)

3шт.

5

246942A2

HOSE ASSY.

1829 mm (72 in)

3шт.

6

222637A2

HOSE ASSY.

1593 mm (62 in)

1шт.

7

222635A1

HOSE ASSY.,15.88mm ID x 1270mm L

1270 mm (50 in)

1шт.

8

222638A1

HOSE ASSY.

1143 mm (45 in)

1шт.

9

218-5107

90 ELBOW,90 Degree Elbow, 7/8" - 14 Male JIC x 7/8" - 14 Male ORB

90 7/8 NF fl x adj. Or

6шт.

10

195608A1

CAP

dust

6шт.

11

1272400C1

COUPLING

female

6шт.

12

246940A2

SUPPORT

BRACKET

1шт.

13

218-675

FITTING,Blkhd, 7/8"-14, 37 Degree x 7/8"-14, 37 Degree

FIT, STL BULKHD .625MJ .625MJ

6шт.

14

218-1251

BHD LOCK NUT,Blkhd, 7/8"-14

6шт.

15

237-6010

O-RING,0.097" Thk x 0.755" ID, -910, Cl 6, 90 Duro

6шт.

237-6010 S O-RING, 5/8 OD TUBE CLASS 6

1шт.

16

1272399C2

QUICK MALE COUPLING

7/8 NF, self-sealing, male

6шт.

17

218-5062

HYD CONNECTOR,7/8"-14, 37 Degree x 7/8"-14, O-Ring

ADAPTER, 7/8 fl x Or

3шт.

18

201-103

HYD CONNECTOR,1" - 14 Male ORFS x 7/8" - 14 Male ORB

2шт.

201-103 CONNECTOR, 5/8 ORFS-ORB 5/8

1шт.

19

T53145

CHECK VALVE

1шт.

20

218-5201

90 ELBOW,90 Degree, 7/8"-14 O-Ring x 1/2" NPSM Fem

ELBOW, 90

1шт.

21

700-345

ELBOW,90 Degree Elbow, 11/16" - 16 Male ORFS x M18 x 1.5 Male ORB

90 11/16 fc sl x 18 Or

1шт.

22

700-103

HYD CONNECTOR,1" - 14 Male ORFS x M22 x 1.5 Male ORB

ADAPTER

1шт.

700-103 CONNECTOR, 16MM ORFS x M22 ORB

1шт.

23

413-820

BOLT,Hex, 1/2" - 13 x 1-1/4", Gr 5

2шт.

24

80679

LOCK WASHER,1/20.507 CST ZND

2шт.

25

425-108

NUT,1/2" - 13, Gr 5

2шт.

26

413-620

BOLT,Hex, 3/8" - 16 x 1-1/4", Gr 5

4шт.

27

495-11041

WASHER,0.406" ID x 0.812" OD x 0.065" W

Flat, (13/32 x 13/16 x 1/16")

4шт.

28

425-106

NUT,3/8"-16, Cl 5

2шт.

29

291207C1

CLAMP

STRAP, 14

4шт.

30

1985078C2

SET OF PARTS

KIT indicator

1шт.

238-6016 S O-RING, 5/8 x 3/4 CLASS 6

1шт.

637-63193 O-RING, 2.2W x 19.3 IDMM CL 6

1шт.

238-6016 O-RING, 5/8 x 3/4 CLASS 6

1шт.

Выбрано товаров: 36