Запчасти Case IH L300 (8-34) - CONTROL ASSEMBLY, 3 FUNCTION, SYNCHROMESH TRANSMISSION (08) - HYDRAULICS

Схема запчастей Case IH L300 - (8-34) - CONTROL ASSEMBLY, 3 FUNCTION, SYNCHROMESH TRANSMISSION (08) - HYDRAULICS
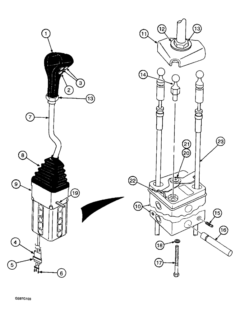
15
1
8
2
17
18
23
19
16
13
14
10
13
20
12
5
6
3
11
22
9
7
4
21
FIT
1:1
100%

Артикул

Название

Примечание

Количество

280020A1

LEVER ASSY & KNOB

controller, Consists of: 1-23

1шт.

1

246988A1

CONTROL

HANDLE ASSY., includes: 2-6

1шт.

2

253280A1

PLASTIC PLUG

1шт.

3

NSS

NOT SOLD SEPARAT

SWITCH

2шт.

4

225295C1

ELEC CONNECTOR,Female, 3 Pin

electrical

1шт.

5

225296C1

ELEC CONNECTOR

wedge

1шт.

6

225053C1

TERMINAL CONNECTOR,Female, 0.8 - 1 mm2

3шт.

7

246992A1

LEVER

1шт.

8

253274A1

BELLOWS

BOOT

1шт.

9

253275A1

HOUSING

upper

1шт.

10

247713A1

BODY

HOUSING lower

1шт.

11

253276A1

COUPLING FLANGE

YOKE

1шт.

12

895-15014

WASHER,15.5mm ID x 30mm OD x 2.5mm Thk

15.5 x 30 x 2.5 mm

1шт.

13

829-23414

THIN NUT,Thin, M14 x 1.5, Cl 05

2шт.

14

253277A1

BALL JOINT

PIVOT

1шт.

15

877-20810

SET SCREW,Hex Skt, M8 x 10mm, Cone Pt

set, M8 x 10

2шт.

16

254286A1

TUBE,12 mm OD, 57.5 mm Length

2шт.

17

814-6080

BOLT,Hex, M6 x 1 x 80mm, Cl 8.8

1шт.

18

495-31022

WASHER,#10

1шт.

19

254285A1

LEVER

1шт.

20

760-34495

SELF-TAP SCREW,Pan, M4.8 x 1.6 x 9.5mm

M4.8 x 9.5

1шт.

21

895-11006

WASHER,6.6mm ID x 12mm OD x 1.6mm Thk

2шт.

22

258464A1

SPRING LOCK

1шт.

23

253271A1

CABLE ASSY.

2шт.

Выбрано товаров: 24