Запчасти Case IH L350 (003) - HYDRAULICS (00) - COMPLETE MACHINE

Схема запчастей Case IH L350 - (003) - HYDRAULICS (00) - COMPLETE MACHINE
14
15
004
12
19
4
24
005
29
13
18
25
21
23
7
22
18
17
20
14
16
26
2
1
19
26
5
4
4
10
3
17
16
9
14
14
4
6
14
11
27
27
14
004
8
005
FIT
1:1
100%

Артикул

Название

Примечание

Количество

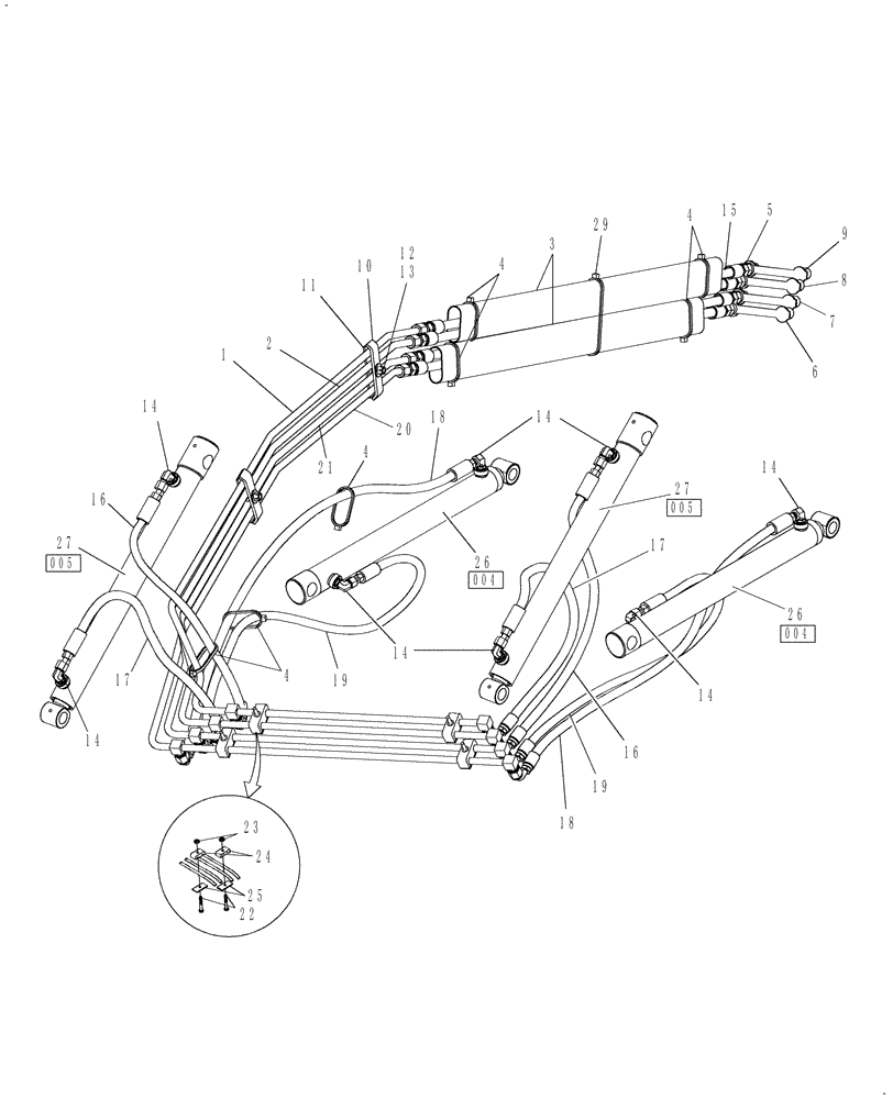
1

87520525

HYD TUBE,.5" OD

Bucket Cylinder Rod End

1шт.

2

87520524

HYD TUBE,.5" OD

Bucket Cylinder Base End

1шт.

3

86580556

PROTECTING COVER

2шт.

4

323597

CABLE TIE,165mm OAL x 9mm Thk

CABLE STRAP Cable Tie

4шт.

5

9846344

QUICK MALE COUPLING,3/8" NPTF

Nipple, Hydraulic, 3/8", NPTF

4шт.

6

86597751

DUST CAP,23mm OD x 255mm L

Blue

1шт.

7

86597750

DUST CAP,23mm OD x 255mm L

Red

1шт.

8

86597752

DUST CAP,23mm OD x 255mm L

Green

1шт.

9

86597753

DUST CAP,23mm OD x 255mm L

Yellow

1шт.

10

86571694

CLAMP

2шт.

11

765394

PAD,19.8mm ID x 31.8mm W x 101.6mm L

2шт.

12

80702

WASHER,0.44" ID x 1" OD x 0.08" Thk

2шт.

13

88902

NUT,3/8"-16

2шт.

14

128830

90 ELBOW,3/4" - 16 JIC x 3/4" - 16 ORB

Incl. Ref. 28

8шт.

15

86594270

HYDRAULIC HOSE,12.7mm ID x 1143mm L, SAE 100R17

Hydraulic

4шт.

16

87538057

HOSE ASSY.,9.53mm ID x 711.2mm L, SAE 100R17

Bucket Cylinder Base End, 28"

2шт.

17

87538059

HOSE ASSY.,9.53mm ID x 711.2mm L, SAE 100R17

Bucket Cylinder Rod End, 28"

2шт.

18

87538061

HOSE ASSY.,9.53mm ID x 1143mm L, SAE 100R17

Lift Cylinder Rod End, 46"

2шт.

19

87538063

HOSE ASSY.

Lift Cylinder Base End, 20"

2шт.

20

87520526

HYD TUBE,.5" OD

Lift Cylinder Rod End

1шт.

21

87520527

HYD TUBE,.5" OD

Lift Cylinder Base End

1шт.

22

87497919

SELF-TAP SCREW,1/4” x 1.75” L

4шт.

23

86603118

PUSH-ON NUT,1/2” OD x 5/64” Thk

4шт.

24

625822

CLAMP,1/2" Tube

1/2 Tube

4шт.

25

86509354

PLATE,9/32" ID x 3/4" W x 2" L

4шт.

26

87399667

CYLINDER,Double Acting, 34.92mm Rod, 520mm Stroke

Lift

2шт.

27

87399666

CYLINDER,Double Acting, 31.75mm Rod, 484mm Stroke

Bucket

2шт.

28

128825

O-RING,0.087" Thk x 0.644" ID, -908, Cl 6, 90 Duro

8шт.

Not Illustrated

1шт.

29

529070

CABLE TIE,368.3mm L

CABLE STRAP

2шт.

Выбрано товаров: 30