Запчасти Case IH L360 (003) - HYDRAULICS

Схема запчастей Case IH L360 - (003) - HYDRAULICS
21
004
005
5
26
10
004
18
19
13
9
23
3
14
14
19
18
4
14
6
8
7
11
20
1
4
12
27
26
16
14
14
4
22
25
4
17
27
15
24
2
14
005
17
16
FIT
1:1
100%

Артикул

Название

Примечание

Количество

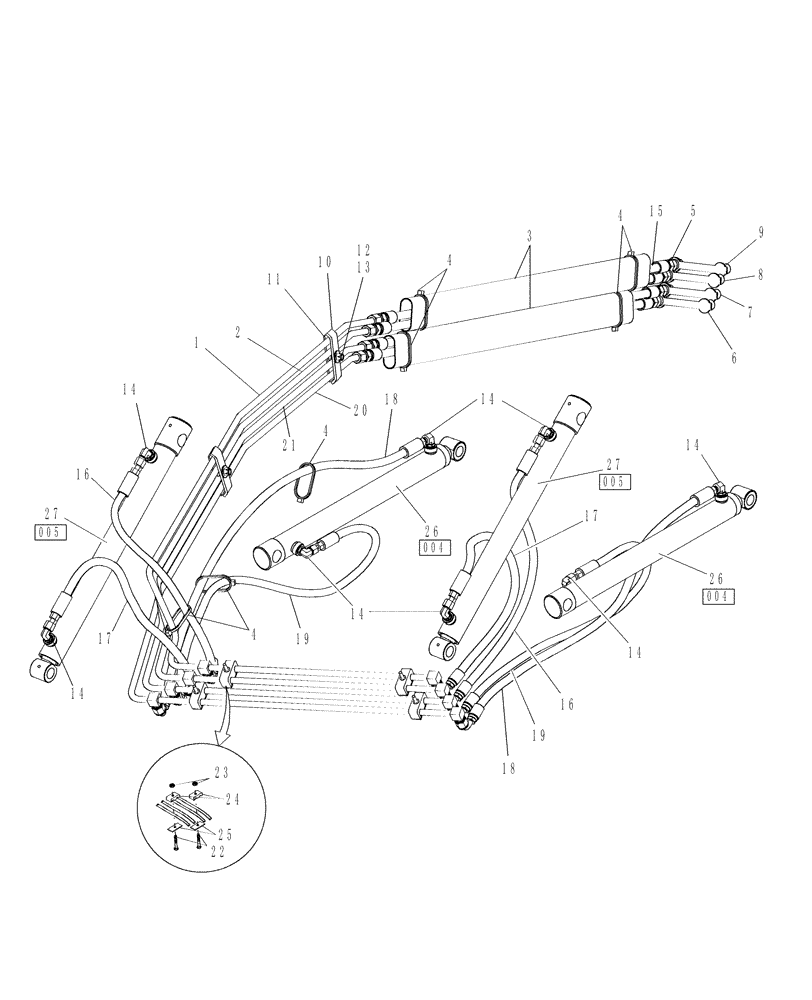
1

87536832

HYD TUBE

Bucket Cylinder Rod End

1шт.

2

87536834

HYD TUBE

Bucket Cylinder Base End

1шт.

3

84308675

PROTECTIVE SLEEVE

4шт.

4

323597

CABLE TIE,165mm OAL x 9mm Thk

CABLE STRAP Cable Tie

4шт.

5

9846344

QUICK MALE COUPLING,3/8" NPTF

Nipple, Hydraulic, 3/8", NPTF

4шт.

6

86597751

DUST CAP,23mm OD x 255mm L

Blue

1шт.

7

86597750

DUST CAP,23mm OD x 255mm L

Red

1шт.

8

86597752

DUST CAP,23mm OD x 255mm L

Green

1шт.

9

86597753

DUST CAP,23mm OD x 255mm L

Yellow

1шт.

10

86571694

CLAMP

2шт.

11

765394

PAD,19.8mm ID x 31.8mm W x 101.6mm L

2шт.

12

80702

WASHER,0.44" ID x 1" OD x 0.08" Thk

2шт.

13

88902

NUT,3/8"-16

2шт.

14

128830

90 ELBOW,3/4" - 16 JIC x 3/4" - 16 ORB

Incl. Ref. 28

8шт.

15

86594270

HYDRAULIC HOSE,12.7mm ID x 1143mm L, SAE 100R17

Hydraulic

4шт.

16

87538057

HOSE ASSY.,9.53mm ID x 711.2mm L, SAE 100R17

Bucket Cylinder Base End, 43"

2шт.

17

87538059

HOSE ASSY.,9.53mm ID x 711.2mm L, SAE 100R17

Bucket Cylinder Rod End, 32"

2шт.

18

87538085

HOSE ASSY.,0.375" ID x 56" L, SAE 100R17

Lift Cylinder Rod End, 59"

2шт.

19

87538086

HOSE ASSY.,0.375" ID x 32" L, SAE 100R17

Lift Cylinder Base End, 35"

2шт.

20

87536833

HYD TUBE,11.46mm ID x 12.7mm OD x 1240mm L

Lift Cylinder Base End

1шт.

21

87536831

HYD TUBE,11.46mm ID x 12.7mm OD x 1235mm L

Lift Cylinder Rod End

1шт.

22

87497919

SELF-TAP SCREW,1/4” x 1.75” L

4шт.

23

86603118

PUSH-ON NUT,1/2” OD x 5/64” Thk

4шт.

24

625822

CLAMP,1/2" Tube

1/2 Tube

4шт.

25

86509354

PLATE,9/32" ID x 3/4" W x 2" L

4шт.

26

87516575

CYLINDER,Double Acting, 34.92mm Rod, 527mm Stroke

Lift

2шт.

27

87516576

CYLINDER,Double Acting, 31.75mm Rod, 484mm Stroke

Bucket

2шт.

28

128825

O-RING,0.087" Thk x 0.644" ID, -908, Cl 6, 90 Duro

8шт.

Not Illustrated

1шт.

29

249730

SECURING STRAP,8" L

2шт.

Not Illustrated

1шт.

Выбрано товаров: 0