Запчасти Case IH L400 (8-16) - HYDRAULICS, EXTERNAL VALVE, 2 FUNCTION CX50, CX60, WITHOUT SELF LEVELING (08) - HYDRAULICS

Схема запчастей Case IH L400 - (8-16) - HYDRAULICS, EXTERNAL VALVE, 2 FUNCTION CX50, CX60, WITHOUT SELF LEVELING (08) - HYDRAULICS
3
26
28
12
36
35
6
23
25
14
7
17
11
2
1
5
18
27
31
4
13
3
3
27
29
16
24
FIT
1:1
100%

Артикул

Название

Примечание

Количество

1

REF

INSTRUCTION

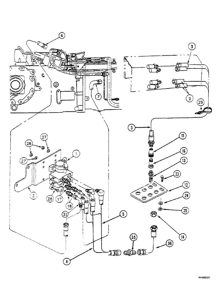
VALVE ASSY., control See Figure : 8-40

1шт.

2

252390A2

SHEET

BRACKET

1шт.

3

327197A2

HOSE

1524 mm (60 in.)

4шт.

4

357374A1

HOSE ASSY.

356 mm (14 in.)

2шт.

5

357375A1

HOSE ASSY.

356 mm (14 in.)

2шт.

6

247030A1

HOSE

1626 mm (64 in.) Supply

1шт.

7

357370A1

HOSE ASSY.

Hose, 635 mm (25 in) Return

1шт.

11

1272400C1

COUPLING

female

4шт.

12

327223A1

PLATE

1шт.

13

218-675

FITTING,Blkhd, 7/8"-14, 37 Degree x 7/8"-14, 37 Degree

FIT STL BULKHD .625MJ .625MJ

4шт.

14

218-1251

BHD LOCK NUT,Blkhd, 7/8"-14

NUT, LOCK, Blkhd, 7/8"-14

4шт.

16

1272399C2

QUICK MALE COUPLING

7/8 NF, self-sealing, male

4шт.

17

218-5062

HYD CONNECTOR,7/8"-14, 37 Degree x 7/8"-14, O-Ring

7/8 fl x Or

2шт.

18

218-5065

HYD CONNECTOR,1-1/16" - 12 Male JIC x 7/8" - 14 Male ORB

CONNECTOR, HYD., 1 1/16"-12, 37º x 7/8"-14, O-Ring

2шт.

23

413-820

BOLT,Hex, 1/2" - 13 x 1-1/4", Gr 5

2шт.

23a

495-11053

WASHER,1/2", SAE

(17/32" x 1-1/16" x 3/32") 1/2", SAE

2шт.

24

80679

LOCK WASHER,1/20.507 CST ZND

WASHER, LOCK, 1/2"

2шт.

25

425-108

NUT,1/2" - 13, Gr 5

NUT, 1/2"-13, G5

2шт.

26

413-620

BOLT,Hex, 3/8" - 16 x 1-1/4", Gr 5

4шт.

27

492-11038

LOCK WASHER,3/8"

4шт.

28

425-106

NUT,3/8"-16, Cl 5

4шт.

29

306132C1

CABLE TIE,14.5" L

14 in.

4шт.

31

218-987

ADAPTER,90 Degree, 37 Degree Fl, 1 1/16"-12 Male x 1 1/16"-12 Fem

1шт.

34

327227A1

CAP

PLUG blue

1шт.

Blue p/n 333717A1

1шт.

34

327229A1

CAP

PLUG yellow

1шт.

Yellow p/n 333719A1

1шт.

34

327231A1

CAP

PLUG red

1шт.

Red p/n 333721A1

1шт.

34

327232A1

CAP

PLUG green

1шт.

Green p/n 333722A1

1шт.

These are the colored caps to cover the female end of the quick connect. The colored caps to cover the male ends of the quick connect are as follows:

1шт.

35

218-736

UNION,7/8"-14, 37 Degree x 7/8"-14, 37 Degree

4шт.

36

357382A1

HOSE ASSY.

1422 mm (56 in.)

4шт.

Выбрано товаров: 34