Запчасти Case IH L400 (8-20) - HYDRAULICS, EXTERNAL VALVE, 3 FUNCTION C50, C60, WITHOUT SELF LEVELING (08) - HYDRAULICS

Схема запчастей Case IH L400 - (8-20) - HYDRAULICS, EXTERNAL VALVE, 3 FUNCTION C50, C60, WITHOUT SELF LEVELING (08) - HYDRAULICS
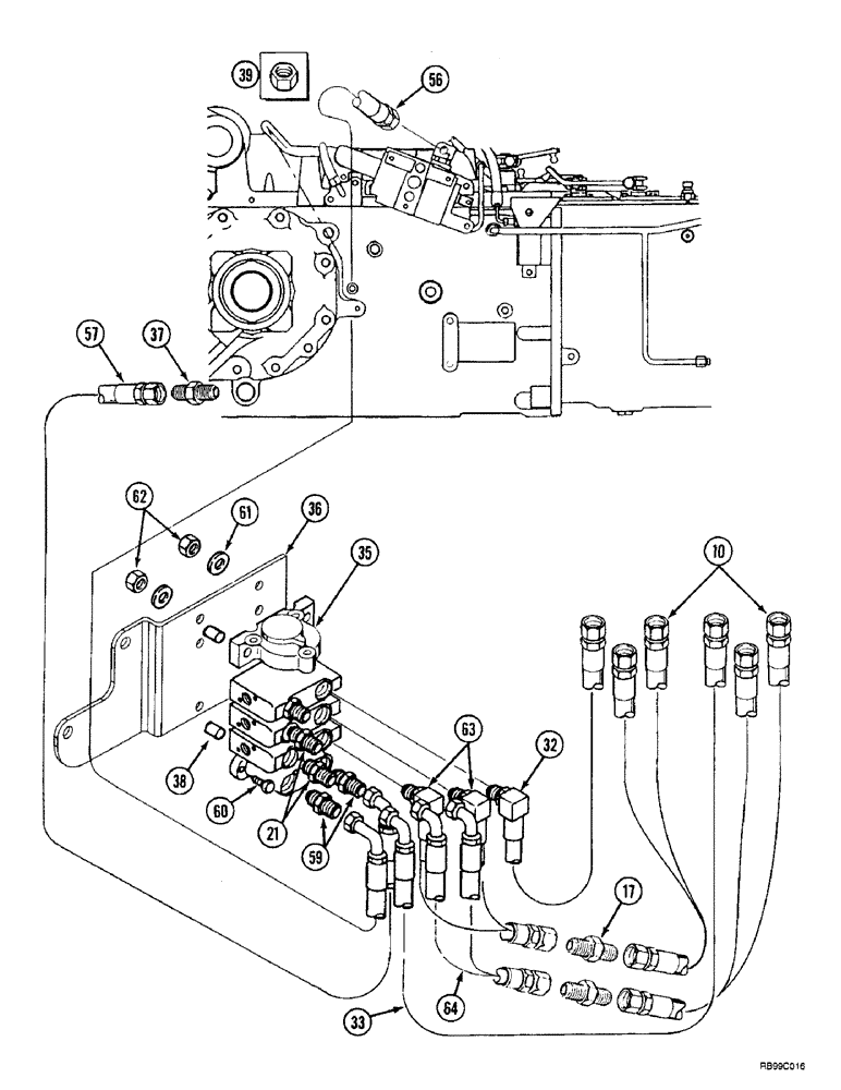
60
63
33
38
64
61
39
32
59
36
57
62
10
56
21
35
37
17
FIT
1:1
100%

Артикул

Название

Примечание

Количество

10

357380A1

HOSE ASSY.

1168 mm (46 in.)

4шт.

17

218-736

UNION,7/8"-14, 37 Degree x 7/8"-14, 37 Degree

4шт.

21

218-5062

HYD CONNECTOR,7/8"-14, 37 Degree x 7/8"-14, O-Ring

7/8 fl x Or

2шт.

32

357377A1

HOSE ASSY.

1524 mm (60 in.)

1шт.

33

357378A1

HOSE ASSY.

1524 mm (60 in.)

1шт.

35

REF

INSTRUCTION

VALVE ASSY., control See Figure : 8-41

1шт.

36

252390A2

SHEET

BRACKET

1шт.

37

218-5078

HYD CONNECTOR,7/8" - 14 Male JIC x 1-5/16" - 12 Male ORB

1шт.

38

645342C1

SPACER,10.34mm ID x 15.87mm OD x 25.4mm L

3/8 ID x 1

4шт.

39

218-756

CAP,37 Degree, 7/8"-14

1шт.

56

321983A1

HOSE ASSY.

864 mm (34 in.) Supply

1шт.

57

321981A1

HOSE ASSY.

635 mm (25 in.) Return

1шт.

59

201-103

HYD CONNECTOR,1" - 14 Male ORFS x 7/8" - 14 Male ORB

CONNECTOR, HYD., 1"-14 ORFS x 7/8"-14 ORB

3шт.

201-103 CONNECTOR, 5/8 ORFS-ORB 5/8

1шт.

60

413-636

BOLT,Hex, 3/8" - 16 x 2-1/4", Gr 5

4шт.

61

492-11038

LOCK WASHER,3/8"

4шт.

62

425-106

NUT,3/8"-16, Cl 5

4шт.

63

357374A1

HOSE ASSY.

356 mm (14 in.)

2шт.

64

357375A1

HOSE ASSY.

356 mm (14 in.)

2шт.

637-63193 O-RING, 2.2W x 19.3 IDMM CL 6

1шт.

238-6016 O-RING, 5/8 x 3/4 CLASS 6

1шт.

700-103 CONNECTOR, 16MM ORFS x M22 ORB

1шт.

238-6016 S O-RING, 5/8 x 3/4 CLASS 6

1шт.

237-6010 S O-RING, 5/8 OD TUBE CLASS 6

1шт.

Выбрано товаров: 24