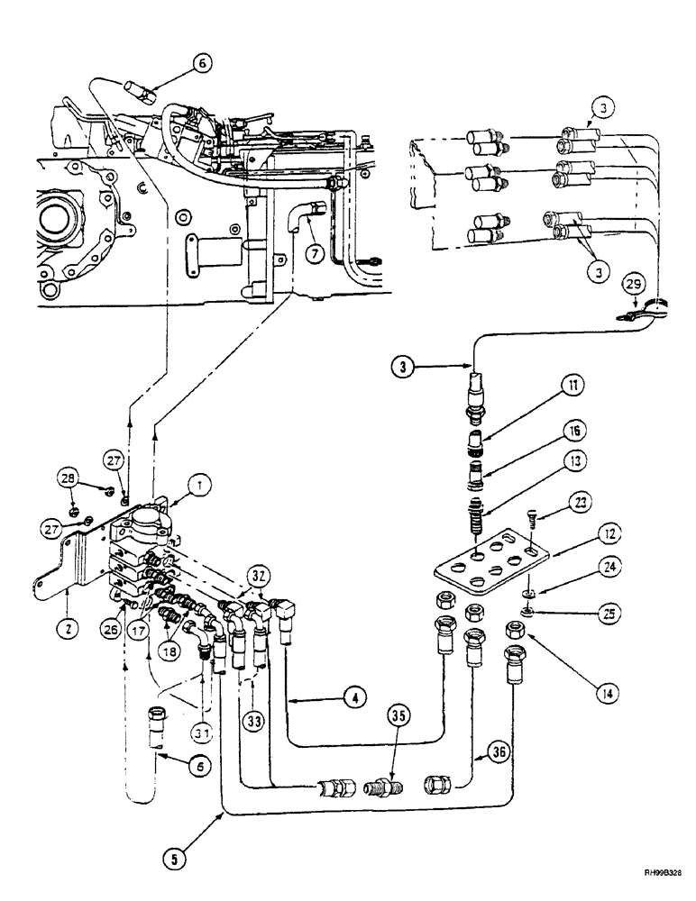
Запчасти Case IH L400 (8-22) - HYDRAULICS, EXTERNAL VALVE, 3 FUNCTION CX50, CX60, WITHOUT SELF LEVELING (08) - HYDRAULICS

Схема запчастей Case IH L400 - (8-22) - HYDRAULICS, EXTERNAL VALVE, 3 FUNCTION CX50, CX60, WITHOUT SELF LEVELING (08) - HYDRAULICS
27
12
25
6
33
3
6
27
28
35
24
26
3
36
4
3
14
17
16
5
11
7
1
13
18
23
29
31
2
32
FIT
1:1
100%

Артикул

Название

Примечание

Количество

1

REF

INSTRUCTION

VALVE ASSY., control See Figure : 8-46

1шт.

2

252390A2

SHEET

BRACKET

1шт.

3

327197A2

HOSE

1524 mm (60 in.)

6шт.

4

327212A1

HOSE ASSY.

1778 mm (70 in.)

1шт.

5

327211A1

HOSE ASSY.

1778 mm (70 in.)

1шт.

6

247030A1

HOSE

1626 mm (64 in.) Supply

1шт.

7

357370A1

HOSE ASSY.

635 mm (25 in.) Return

1шт.

11

1272400C1

COUPLING

female

6шт.

12

327223A1

PLATE

1шт.

13

218-675

FITTING,Blkhd, 7/8"-14, 37 Degree x 7/8"-14, 37 Degree

FIT STL BULKHD .625MJ .625MJ

6шт.

14

218-1251

BHD LOCK NUT,Blkhd, 7/8"-14

NUT, LOCK, Blkhd, 7/8"-14

6шт.

16

1272399C2

QUICK MALE COUPLING

7/8 NF, self-sealing, male

6шт.

17

218-5062

HYD CONNECTOR,7/8"-14, 37 Degree x 7/8"-14, O-Ring

7/8 fl x Or

2шт.

18

218-5065

HYD CONNECTOR,1-1/16" - 12 Male JIC x 7/8" - 14 Male ORB

CONNECTOR, HYD., 1 1/16"-12, 37º x 7/8"-14, O-Ring

3шт.

23

413-820

BOLT,Hex, 1/2" - 13 x 1-1/4", Gr 5

2шт.

24

80679

LOCK WASHER,1/20.507 CST ZND

WASHER, LOCK, 1/2"

2шт.

25

425-108

NUT,1/2" - 13, Gr 5

NUT, 1/2"-13, G5

2шт.

26

413-620

BOLT,Hex, 3/8" - 16 x 1-1/4", Gr 5

4шт.

27

895-11008

WASHER,9mm ID x 16mm OD x 1.6mm Thk

4шт.

28

425-106

NUT,3/8"-16, Cl 5

4шт.

29

306132C1

CABLE TIE,14.5" L

14 in.

4шт.

31

218-987

ADAPTER,90 Degree, 37 Degree Fl, 1 1/16"-12 Male x 1 1/16"-12 Fem

1шт.

32

357375A1

HOSE ASSY.

356 mm (14 in.)

2шт.

33

357374A1

HOSE ASSY.

356 mm (14 in.)

2шт.

35

218-756

CAP,37 Degree, 7/8"-14

4шт.

36

357382A1

HOSE ASSY.

1422 mm (56 in.)

4шт.

Выбрано товаров: 26