Запчасти Case IH L400 (8-70) - HYDRAULICS, EXTERNAL VALVE, 2 FUNCTION CX50, CX60, WITH SELF LEVELING (08) - HYDRAULICS

Схема запчастей Case IH L400 - (8-70) - HYDRAULICS, EXTERNAL VALVE, 2 FUNCTION CX50, CX60, WITH SELF LEVELING (08) - HYDRAULICS
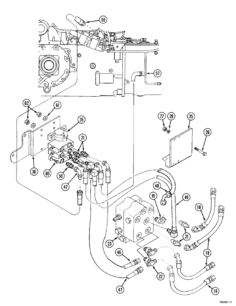
23
47
62
27
26
57
36
25
42
18
56
21
21
46
28
35
60
19
49
22
61
18
48
59
18
FIT
1:1
100%

Артикул

Название

Примечание

Количество

18

327219A1

HOSE ASSY.

559 mm (22 in.)

4шт.

19

218-5107

90 ELBOW,90 Degree Elbow, 7/8" - 14 Male JIC x 7/8" - 14 Male ORB

Adj. 90º, 7/8"-14, 37º x 7/8"-14, O-Ring

1шт.

21

218-5062

HYD CONNECTOR,7/8"-14, 37 Degree x 7/8"-14, O-Ring

7/8 fl x Or

3шт.

22

218-5241

TEE,7/8" - 14 Male JIC x 7/8" - 14 Male JIC x 7/8" - 14 Male ORB

2шт.

23

328000A1

VALVE

self level

1шт.

25

327225A2

SHEET

PLATE

1шт.

26

413-540

BOLT,Hex, 5/16" - 18 x 2-1/2", Gr 5

2шт.

27

425-105

NUT,5/16"-18, G5

2шт.

28

492-11031

LOCK WASHER,5/16"

WASHER, LOCK, 5/16"

2шт.

35

REF

INSTRUCTION

VALVE ASSY., Control See Figure : 8-40

1шт.

36

252390A2

SHEET

BRACKET

1шт.

37

218-5078

HYD CONNECTOR,7/8" - 14 Male JIC x 1-5/16" - 12 Male ORB

1шт.

38

645342C1

SPACER,10.34mm ID x 15.87mm OD x 25.4mm L

3/8 ID x 1

4шт.

42

218-5232

ELBOW,90 Degree, 7/8"-14, 37 Degree x 7/8"-14, 37 Degree Fem Sw

1шт.

46

327217A1

HOSE ASSY.

222 mm (8.75 in.)

1шт.

47

327200A1

HOSE ASSY.

311 mm (12.25 in.)

1шт.

48

327218A1

HOSE ASSY.

483 mm (19 in.)

1шт.

49

327209A1

HOSE ASSY.

368 mm (14.5 in.)

1шт.

56

247030A1

HOSE

1626 mm (64 in.) Supply

1шт.

57

357370A1

HOSE ASSY.

635 mm (25 in.) Return

1шт.

59

201-103

HYD CONNECTOR,1" - 14 Male ORFS x 7/8" - 14 Male ORB

CONNECTOR, HYD., 1"-14 ORFS x 7/8"-14 ORB

2шт.

201-103 CONNECTOR, 5/8 ORFS-ORB 5/8

1шт.

60

413-636

BOLT,Hex, 3/8" - 16 x 2-1/4", Gr 5

4шт.

61

492-11038

LOCK WASHER,3/8"

4шт.

62

425-106

NUT,3/8"-16, Cl 5

4шт.

637-63193 O-RING, 2.2W x 19.3 IDMM CL 6

1шт.

238-6016 O-RING, 5/8 x 3/4 CLASS 6

1шт.

700-103 CONNECTOR, 16MM ORFS x M22 ORB

1шт.

238-6016 S O-RING, 5/8 x 3/4 CLASS 6

1шт.

237-6010 S O-RING, 5/8 OD TUBE CLASS 6

1шт.

Выбрано товаров: 30