Запчасти Case IH L400 (8-04) - HYDRAULICS, AUXILIARY (08) - HYDRAULICS

Схема запчастей Case IH L400 - (8-04) - HYDRAULICS, AUXILIARY (08) - HYDRAULICS
4
8
3
1
6
7
2
5
FIT
1:1
100%

Артикул

Название

Примечание

Количество

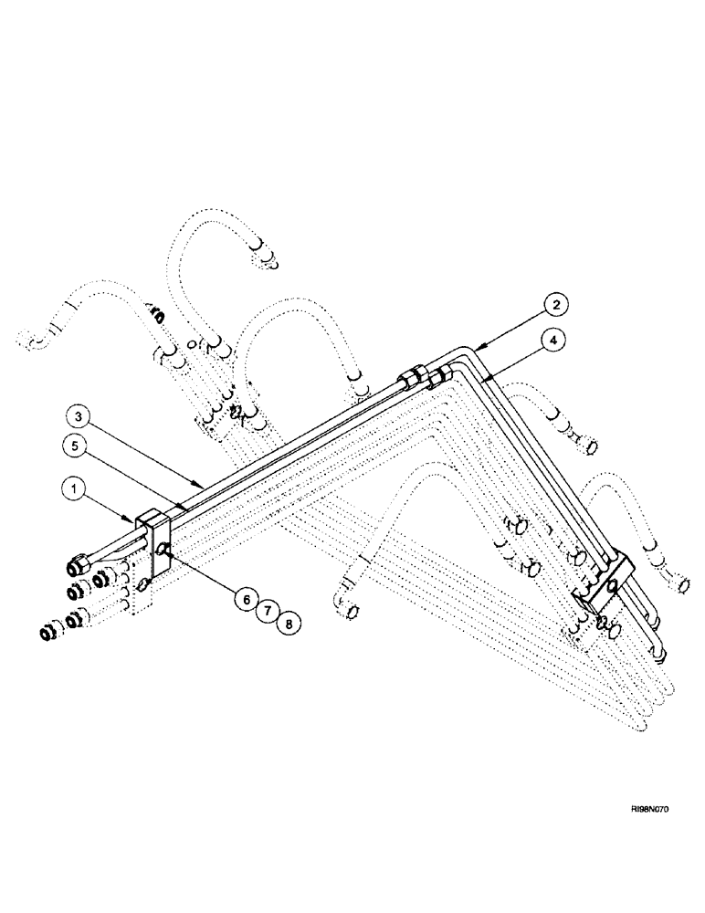
1

324067A1

BRACKET

4шт.

2

324954A2

HYD TUBE

1шт.

3

324953A2

HYD TUBE,0.5" OD, 540.8 mm Length

1шт.

4

324956A2

HYD TUBE

1шт.

5

324955A2

HYD TUBE,0.5" OD, 449.1, 27 mm Length

1шт.

6

413-628

BOLT,Hex, 3/8" - 16 x 1-3/4", Gr 5

2шт.

7

495-11041

WASHER,0.406" ID x 0.812" OD x 0.065" W

(13/32 x 13/16 x 1/16") 3/8", SAE

2шт.

8

425-106

NUT,3/8"-16, Cl 5

2шт.

Выбрано товаров: 8