Запчасти Case IH L500 (8-026) - HYDRAULICS - EXTERNAL VALVE (3 FUNCTION C70 - C100), W/OUT SELF LEVELING (08) - HYDRAULICS

Схема запчастей Case IH L500 - (8-026) - HYDRAULICS - EXTERNAL VALVE (3 FUNCTION C70 - C100), W/OUT SELF LEVELING (08) - HYDRAULICS
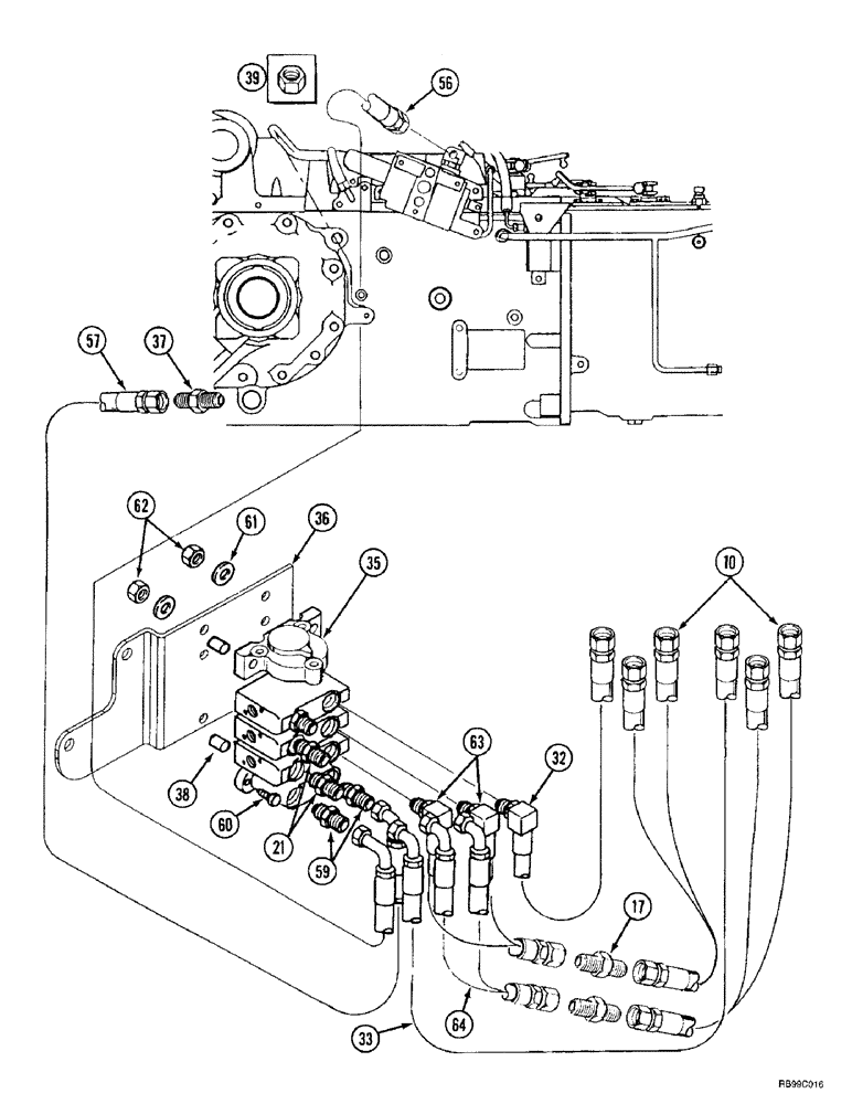
57
10
17
38
37
36
60
32
62
33
21
61
56
39
63
64
35
59
FIT
1:1
100%

Артикул

Название

Примечание

Количество

10

357380A1

HOSE ASSY.

4шт.

17

218-736

UNION,7/8"-14, 37 Degree x 7/8"-14, 37 Degree

4шт.

21

218-5062

HYD CONNECTOR,7/8"-14, 37 Degree x 7/8"-14, O-Ring

adapter

2шт.

32

357377A1

HOSE ASSY.

1шт.

33

357378A1

HOSE ASSY.

1шт.

35

REF

INSTRUCTION

VALVE ASSY. CONTROL, See Figure(s) : 8-72

1шт.

36

252390A2

SHEET

BRACKET

1шт.

37

218-5078

HYD CONNECTOR,7/8" - 14 Male JIC x 1-5/16" - 12 Male ORB

connector

1шт.

38

645342C1

SPACER,10.34mm ID x 15.87mm OD x 25.4mm L

3/8 ID x 1

4шт.

39

218-756

CAP,37 Degree, 7/8"-14

1шт.

56

321983A1

HOSE ASSY.

supply

1шт.

57

321981A1

HOSE ASSY.

return

1шт.

59

201-103

HYD CONNECTOR,1" - 14 Male ORFS x 7/8" - 14 Male ORB

3шт.

201-103 CONNECTOR, 5/8 ORFS-ORB 5/8

1шт.

60

413-636

BOLT,Hex, 3/8" - 16 x 2-1/4", Gr 5

4шт.

61

492-11038

LOCK WASHER,3/8"

4шт.

62

425-106

NUT,3/8"-16, Cl 5

4шт.

63

357374A1

HOSE ASSY.

2шт.

64

357375A1

HOSE ASSY.

2шт.

237-6010 S O-RING, 5/8 OD TUBE CLASS 6

1шт.

238-6016 S O-RING, 5/8 X 3/4 CLASS 6

1шт.

700-103 CONNECTOR, 16MM ORFS X M22 ORB

1шт.

637-63193 O-RING, 2.2W X 19.3 IDMM CL 6

1шт.

Выбрано товаров: 23