Качественные детали и логистика
Оригинальные и аналоговые запчасти с доставкой по России, Казахстану и Беларуси
©2022 PartSell ООО "Система" ИНН 2463123282 ОГРН 1212400004838
Центральный офис: г. Красноярск, Академика Киренского, д.87, пом.4
Телефон: 8 (800) 777-65-74 Email: zakaz@partsell.ru
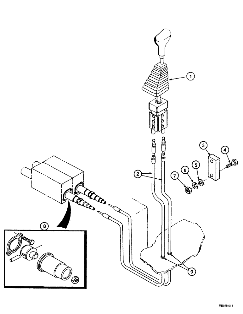
(8-036) - HYDRAULIC CONTROLS - MOUNTING (2 FUNCTION MX80 - MX100C)
№
Артикул
Название
Примечание
Количество
1
254287A1
LEVER ASSY & KNOB
CONTROLLER, Includes : 2-7 See Figure(s) : 8-38
1шт.
2
253271A1
CABLE ASSY.
2шт.
3
247716A1
SPACER
4
814-8100
BOLT,Hex, M8 x 1.25 x 100mm, Cl 8.8
5
895-11008
WASHER,9mm ID x 16mm OD x 1.6mm Thk
6
892-11008
LOCK WASHER,8mm ID
7
829-1408
NUT,Hex, M8 x 1.25, Cl 10.9
8
252798A1
SET OF PARTS
ADAPTER
9
182045A1
GROMMET
Выбрано товаров: 0