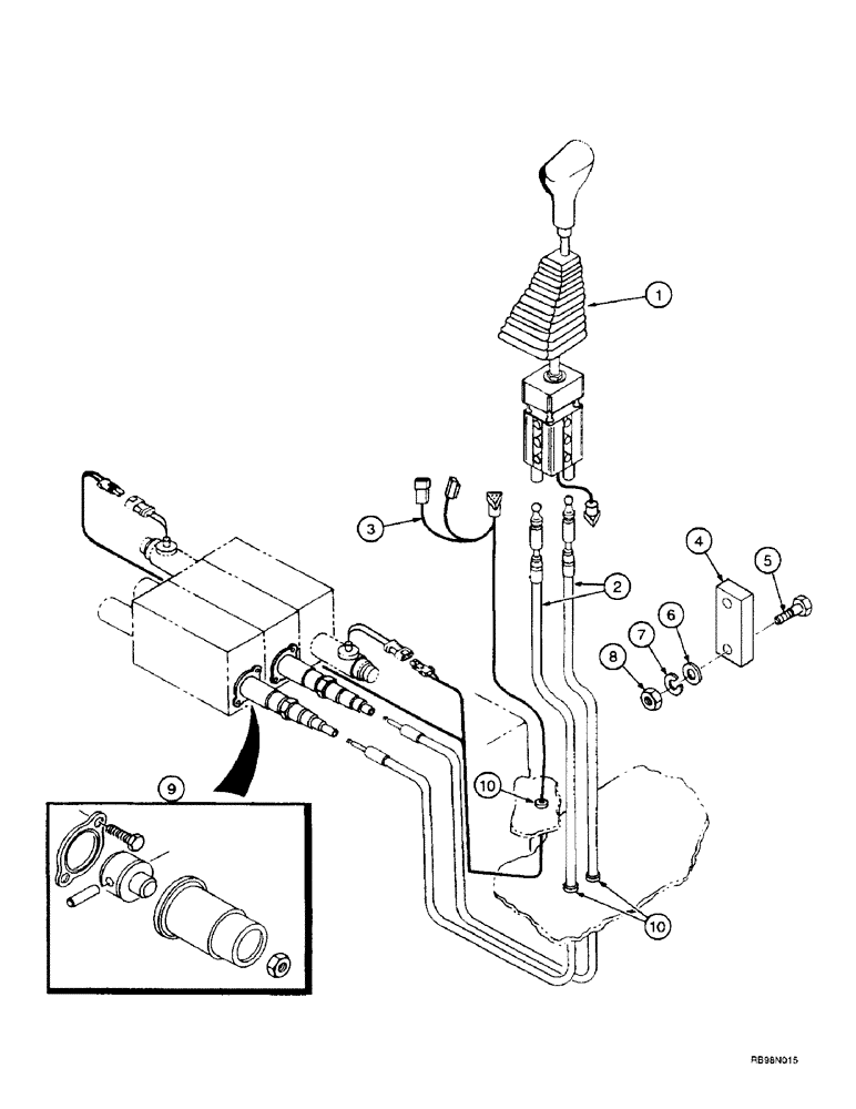
Запчасти Case IH L500 (8-052) - CONTROL ASSEMBLY - MOUNTING (3 FUNCTION MX80 - MX100C) (08) - HYDRAULICS

Схема запчастей Case IH L500 - (8-052) - CONTROL ASSEMBLY - MOUNTING (3 FUNCTION MX80 - MX100C) (08) - HYDRAULICS
7
10
2
9
6
5
8
1
4
3
10
FIT
1:1
100%

Артикул

Название

Примечание

Количество

1

254288A1

LEVER ASSY & KNOB

CONTROLLER, Includes : 2, 4-8 See Figure(s) : 8-54

1шт.

2

253271A1

CABLE ASSY.

2шт.

3

247474A2

HARNESS

1шт.

4

247716A1

SPACER

1шт.

5

814-8100

BOLT,Hex, M8 x 1.25 x 100mm, Cl 8.8

2шт.

6

895-11008

WASHER,9mm ID x 16mm OD x 1.6mm Thk

2шт.

7

892-11008

LOCK WASHER,8mm ID

2шт.

8

829-1408

NUT,Hex, M8 x 1.25, Cl 10.9

2шт.

9

252798A1

SET OF PARTS

ADAPTER

2шт.

10

182045A1

GROMMET

3шт.

Выбрано товаров: 10