Запчасти Case IH L500 (8-066) - VALVE SECTION (08) - HYDRAULICS

Схема запчастей Case IH L500 - (8-066) - VALVE SECTION (08) - HYDRAULICS
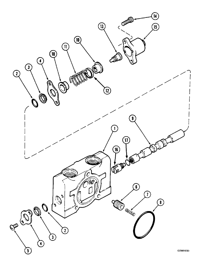
10
6
14
7
13
9
3
1
15
12
8
4
4
16
2
2
10
5
17
11
3
FIT
1:1
100%

Артикул

Название

Примечание

Количество

105084A1

SPOOL

SECTION ASSY., Consists Of : 1, 9

1шт.

1

NSS

NOT SOLD SEPARAT

BODY

1шт.

2

1344740C1

O-RING,0.103" Thk x 0.549" ID, -113, 60 Duro

2шт.

3

S111870

OIL SCRAPER RING

SEAL

2шт.

4

S111865

PLATE

2шт.

5

340-1256

SCREW,Cross Pan Hd, 1/4"-20 x 3/8"

2шт.

6

1344738C1

PISTON

1шт.

7

1344737C1

SPRING

1шт.

8

238-5228

O-RING,0.139" Thk x 2.234" ID, -228, Cl 5, 75 Duro

1шт.

9

NSS

NOT SOLD SEPARAT

SPOOL

1шт.

10

1344732C1

SEAT

spring

2шт.

11

1344735C1

SPRING

1шт.

12

105089A1

SPACER

1шт.

13

1344729C1

END

STOP

1шт.

14

61-32512

HEX SOC SCREW,1/4 - 20 x 3/4"

2шт.

15

S111869

CAP

1шт.

16

105085A1

CLEVIS

1шт.

17

237-6003

O-RING,0.064" Thk x 0.301" ID, -903, Cl 6, 90 Duro

1шт.

Выбрано товаров: 18