Качественные детали и логистика
Оригинальные и аналоговые запчасти с доставкой по России, Казахстану и Беларуси
©2022 PartSell ООО "Система" ИНН 2463123282 ОГРН 1212400004838
Центральный офис: г. Красноярск, Академика Киренского, д.87, пом.4
Телефон: 8 (800) 777-65-74 Email: zakaz@partsell.ru
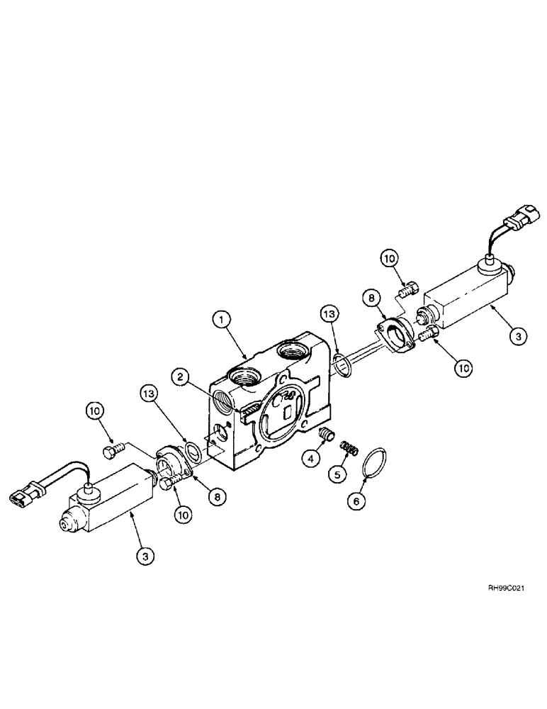
(8-073A) - VALVE SECTION - AUXILIARY
№
Артикул
Название
Примечание
Количество
252787A1
VALVE
section, Consists Of : 1-13
1шт.
1
NSS
NOT SOLD SEPARAT
BODY
2
SPOOL
3
253282A1
SOLENOID VALVE
2шт.
4
S111864
VALVE POPPET
5
890615C1
SPRING
6
238-5228
O-RING,0.139" Thk x 2.234" ID, -228, Cl 5, 75 Duro
8
256175A1
ADAPTER
SPACER
10
61-3258
HEX SOC SCREW,1/4"-20 x 1/2"
socket
4шт.
13
238-5016
O-RING,0.07" Thk x 0.614" ID, -16, Cl 5, 75 Duro
Выбрано товаров: 0