Запчасти Case IH L550 (8-020) - HYDRAULICS - EXTERNAL VALVE (2 FUNCTION CX70 - CX100) WITHOUT SELF LEVELING (08) - HYDRAULICS

Схема запчастей Case IH L550 - (8-020) - HYDRAULICS - EXTERNAL VALVE (2 FUNCTION CX70 - CX100) WITHOUT SELF LEVELING (08) - HYDRAULICS
25
27
3
11
27
5
3
23
29
14
16
18
1
2
4
25
17
24
35
28
31
3
36
6
13
12
FIT
1:1
100%

Артикул

Название

Примечание

Количество

1

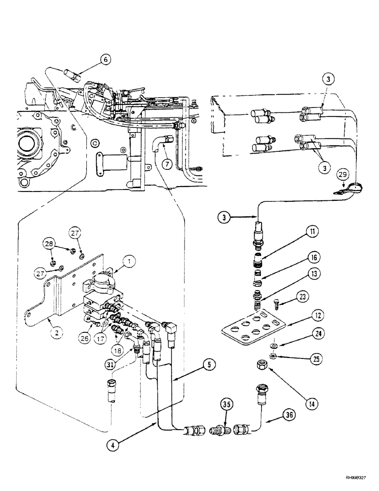
123118A1

VALVE

ASSY. CONTROL, See Figure(s) : 8-56

1шт.

2

252390A2

SHEET

BRACKET

1шт.

3

327198A2

HOSE

4шт.

4

357374A1

HOSE ASSY.

2шт.

5

357375A1

HOSE ASSY.

2шт.

6

247030A1

HOSE

supply

1шт.

7

357370A1

HOSE ASSY.

return

1шт.

11

1272400C1

COUPLING

female

4шт.

12

327223A1

PLATE

1шт.

13

218-675

FITTING,Blkhd, 7/8"-14, 37 Degree x 7/8"-14, 37 Degree

FIT STL BULKHD .625MJ .625MJ

4шт.

14

218-1251

BHD LOCK NUT,Blkhd, 7/8"-14

4шт.

16

1272399C2

QUICK MALE COUPLING

7/8 NF, Self-Sealing, Male

4шт.

17

218-5062

HYD CONNECTOR,7/8"-14, 37 Degree x 7/8"-14, O-Ring

adapter

2шт.

18

218-5065

HYD CONNECTOR,1-1/16" - 12 Male JIC x 7/8" - 14 Male ORB

Adapter

2шт.

23

413-820

BOLT,Hex, 1/2" - 13 x 1-1/4", Gr 5

2шт.

23a

495-11053

WASHER,1/2", SAE

2шт.

24

80679

LOCK WASHER,1/20.507 CST ZND

2шт.

25

425-108

NUT,1/2" - 13, Gr 5

2шт.

26

413-620

BOLT,Hex, 3/8" - 16 x 1-1/4", Gr 5

4шт.

27

492-11038

LOCK WASHER,3/8"

4шт.

28

425-106

NUT,3/8"-16, Cl 5

4шт.

29

306132C1

CABLE TIE,14.5" L

CABLE STRAP 14 in

4шт.

31

218-987

ADAPTER,90 Degree, 37 Degree Fl, 1 1/16"-12 Male x 1 1/16"-12 Fem

1шт.

34

327227A1

CAP

PLUG blue Not Illustrated

1шт.

34

327229A1

CAP

PLUG yellow Not Illustrated

1шт.

34

327231A1

CAP

PLUG red Not Illustrated

1шт.

34

327232A1

CAP

PLUG green Not Illustrated

1шт.

35

218-736

UNION,7/8"-14, 37 Degree x 7/8"-14, 37 Degree

4шт.

36

357382A1

HOSE ASSY.

4шт.

Выбрано товаров: 29