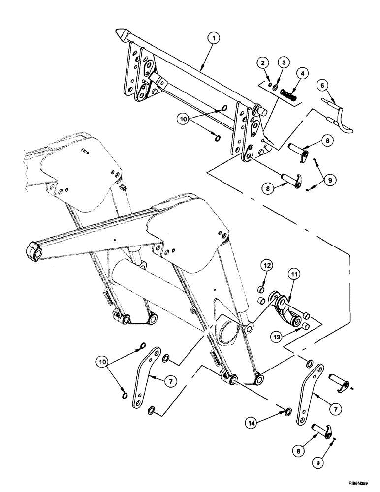
Запчасти Case IH L550 (9-06) - QUICK ATTACH ADAPTER (09) - CHASSIS/ATTACHMENTS

Схема запчастей Case IH L550 - (9-06) - QUICK ATTACH ADAPTER (09) - CHASSIS/ATTACHMENTS
7
1
12
10
4
11
8
14
9
7
3
8
13
6
10
2
8
9
FIT
1:1
100%

Артикул

Название

Примечание

Количество

1

321129A3

BRACKET

1шт.

2

100-1675

SNAP RING,#75, Ext

2шт.

3

895-11018

WASHER,M18 x 34 x 3

2шт.

4

348239A2

SPRING

2шт.

5

320785A3

HANDLE

1шт.

6

320786A3

HANDLE

1шт.

7

302602A2

PLATE

4шт.

8

319460A2

PIN

(replaces 349057A1)

4шт.

9

219-14

LUBE NIPPLE,1/4" NPTF

4шт.

10

103-16125

SNAP RING,#125, Ext

4шт.

310954A1

LINK ASSY.

Consists Of : 11-13

2шт.

11

310931A1

LINK

1шт.

12

324304A1

BUSHING

2шт.

13

310955A1

BUSHING

2шт.

14

310565A1

WASHER,32mm ID x 51mm OD x 3.5mm Thk

4шт.

Выбрано товаров: 15