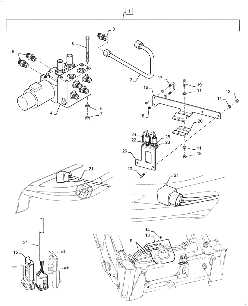
Запчасти Case IH L555 (35.204.BU[02]) - VAR - 713719016 - 3RD FUNCTION DIVERTER VALVE - NSL (35) - HYDRAULIC SYSTEMS

Схема запчастей Case IH L555 - (35.204.BU[02]) - VAR - 713719016 - 3RD FUNCTION DIVERTER VALVE - NSL (35) - HYDRAULIC SYSTEMS
12
14
25
19
6
18
11
21
7
16
5
2
11
15
23
24
1
22
21
11
21
3
8
13
4
20
9
26
10
17
18
FIT
1:1
100%

Артикул

Название

Примечание

Количество

1

NSS

NOT SOLD SEPARAT

3rd Function Diverter Valve, Incl 2 - 25, Order Through Wholegoods 713719016

1шт.

2

LDR5222581

PIPE

Oil

2шт.

3

LDR5028109

ADAPTER

2шт.

4

LDR5221389

SERVICE KIT

Valve

1шт.

5

LDR5028262

ADAPTER

2шт.

6

LDR5013101

WASHER,8.40mm ID x 16mm OD x 1.50mm Thk

1шт.

7

LDR5011553

NUT,M8

1шт.

8

LDR5002978

SCREW

M8 x 129mm L

2шт.

9

LDR1103117

FLEXIBLE HOSE

3/8" OD

2шт.

10

LDR5002077

SCREW

M10 x 30mmL

2шт.

11

LDR5013102

WASHER,10mm ID x 18mm OD x 2mm Thk

6шт.

12

LDR5011554

NUT,M10

4шт.

13

LDR5221270

PLATE

Protection

1шт.

14

LDR5002060

SCREW

M8 x 12mm L, Cl 8.8

2шт.

15

LDR5103054

COVER

Connector Handle

1шт.

16

LDR60006545

BRACKET

Support

1шт.

17

LDR10413486

U-BOLT

Mounting

1шт.

18

LDR5011053

NUT

M8

4шт.

19

LDR5002078

SCREW

M10 x 40mm L

2шт.

20

LDR60006548

BRACKET

Securing

1шт.

21

LDR5102206

WIRE HARNESS

3rd Function Diverter Valve

1шт.

22

LDR5022157

WASHER

Red

1шт.

23

LDR5022159

WASHER

Blue

1шт.

24

LDR5044129

CAP

Dust

2шт.

25

LDR5044940

QUICK MALE COUPLING,3/8" BSP

2шт.

26

LDR5222580

BRACKET

Valve Mounting

1шт.

Выбрано товаров: 26