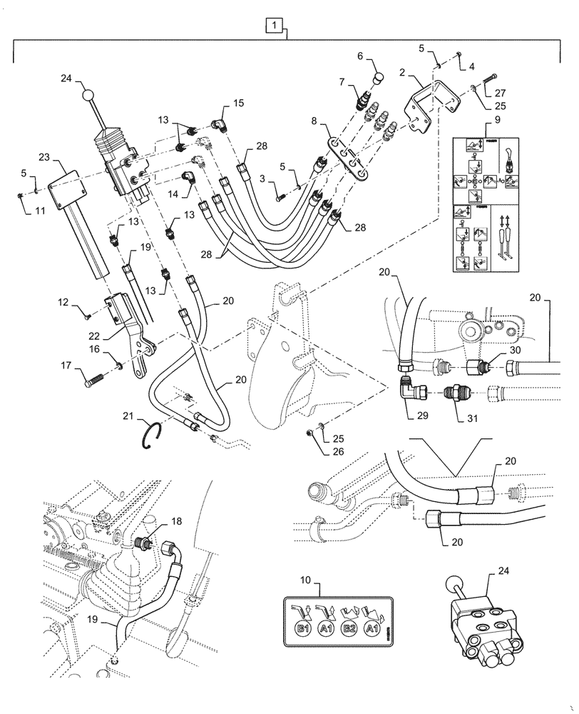
Запчасти Case IH L555 (35.600.AQ[04]) - VAR - 713726006 - HYDRAULIC VALVE KIT, HYDR LINES (35) - HYDRAULIC SYSTEMS

Схема запчастей Case IH L555 - (35.600.AQ[04]) - VAR - 713726006 - HYDRAULIC VALVE KIT, HYDR LINES (35) - HYDRAULIC SYSTEMS
12
21
20
30
20
25
20
28
14
26
18
24
6
1
20
24
13
19
23
31
11
16
13
13
28
9
10
3
17
5
28
8
29
5
20
27
7
20
19
13
22
2
5
4
25
15
FIT
1:1
100%

Артикул

Название

Примечание

Количество

1

NSS

NOT SOLD SEPARAT

Hydraulic Valve Kit, Incl 2 - 31, Order Through Wholegoods 713726006

1шт.

2

LDR60006615

BRACKET

Support

1шт.

3

LDR5002053

SCREW,M8 x 30mm L

2шт.

4

LDR5011053

NUT

M8

2шт.

5

LDR5013101

WASHER,8.40mm ID x 16mm OD x 1.50mm Thk

7шт.

6

LDR5040090

DUST CAP

4шт.

7

LDR5044983

QUICK MALE COUPLING

4шт.

8

LDR10414057

BRACKET

Coupling Securing

1шт.

9

LDR11134370

DECAL

Operation

1шт.

10

LDR11135173

DECAL

Bucket

1шт.

11

LDR5001026

SCREW

5/16" x 19mm L

3шт.

12

LDR5002058

SCREW

M8 x16mm L

2шт.

13

LDR5028078

ADAPTER

3/4" UNF x 3/4" JIC

5шт.

O - Ring Included

1шт.

14

LDR5028181

ADAPTER

3/4" UNF x 3/4" JIC

2шт.

O - Ring Included

1шт.

15

LDR5027421

ADAPTER

3/4" JIC x 3/4" JIC

2шт.

O - Ring Included

1шт.

16

LDR5013105

WASHER

17mm ID x 30mm OD x 3mm Thk

3шт.

17

LDR5002761

BOLT

M16 x 1.5 x 90mm L, Gr 8.8

3шт.

18

LDR5027483

END FITTING,7/8" JIC x M18 x 1.5

1шт.

19

LDR9031622

FLEXIBLE HOSE

7/8" OD x 2000mm L

1шт.

20

LDR5050431

HYDRAULIC HOSE

7/8" OD x 1600mm L

2шт.

21

LDR1902101

CABLE TIE

6шт.

22

LDR60006435

BRACKET

Mounting

1шт.

23

LDR10391840

BRACKET

Control Valve Mounting

1шт.

24

LDR10550401

VALVE

Control

1шт.

25

LDR5013110

WASHER,10.50mm ID x 22mm OD x 2mm

4шт.

26

LDR5011554

NUT,M10

2шт.

27

LDR5002079

SCREW

M10 x 50mm L

2шт.

28

LDR9031621

FLEXIBLE HOSE

7/8" OD x 1200mm L

4шт.

29

LDR5027422

ELBOW

7/8" JIC x 7/8" JIC (Not Shown)

1шт.

30

LDR20717257

ADAPTER

7/8" JIC x 1-1/16" JIC (Not Shown)

1шт.

31

LDR5027935

END FITTING

7/8" JIC x 1-1/16" JIC (Not Shown)

1шт.

Выбрано товаров: 34