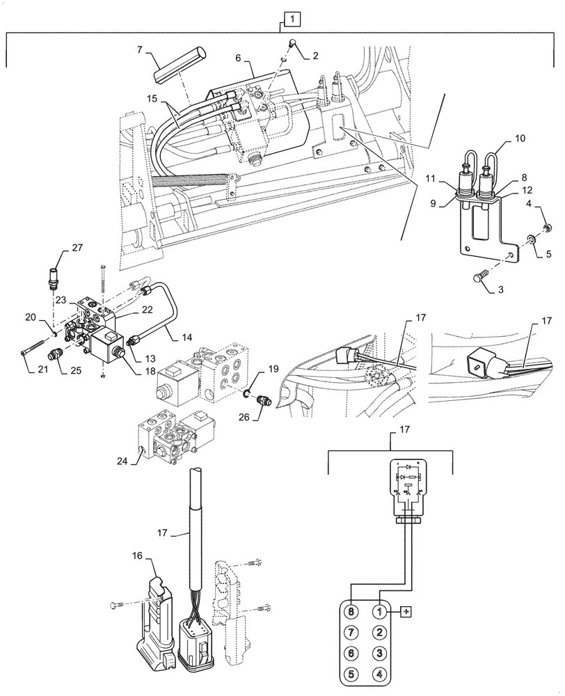
Запчасти Case IH L575 (35.204.BU[04]) - VAR - 713719036 - 3RD FUNCTION DIVERTER VALVE - NSL (35) - HYDRAULIC SYSTEMS

Схема запчастей Case IH L575 - (35.204.BU[04]) - VAR - 713719036 - 3RD FUNCTION DIVERTER VALVE - NSL (35) - HYDRAULIC SYSTEMS
17
14
24
7
5
11
10
13
6
16
22
17
26
17
9
27
25
21
17
18
8
2
23
15
12
20
1
4
19
3
FIT
1:1
100%

Артикул

Название

Примечание

Количество

1

NSS

NOT SOLD SEPARAT

3rd Function Diverter Kit, Incl 2 - 27, Order Through Wholegoods 713719036

1шт.

2

LDR5002060

SCREW

M8 x 12mm L, Cl 8.8

2шт.

3

LDR5002077

SCREW

M10 x 30mm L

2шт.

4

LDR5011554

NUT,M10

2шт.

5

LDR5013102

WASHER,10mm ID x 18mm OD x 2mm Thk

2шт.

6

LDR60009571

PLATE

Protection

1шт.

7

LDR5221975

HOSE

Hydraulic, Cover

1шт.

8

LDR5022157

WASHER

Red

1шт.

9

LDR5022159

WASHER

Blue

1шт.

10

LDR5044129

CAP

Lock

2шт.

11

LDR5044940

QUICK MALE COUPLING,3/8" BSP

2шт.

12

LDR5222580

BRACKET

Support

1шт.

13

LDR5028109

ADAPTER

9/16" JIC

1шт.

14

LDR5222581

PIPE

Oil

1шт.

15

LDR1103117

FLEXIBLE HOSE

3/8" OD

2шт.

16

LDR5103054

COVER

Connector Handle

1шт.

17

LDR5102206

WIRE HARNESS

Joystick

1шт.

18

LDR60009542

VALVE

Hydraulic Control

1шт.

19

LDR5050388

O-RING

25mm ODx 2.62mm Thk

2шт.

20

LDR5013101

WASHER,8.40mm ID x 16mm OD x 1.50mm Thk

4шт.

21

LDR5004054

SCREW

M8 x 80mm L

4шт.

22

LDR60009550

VALVE

Block

1шт.

23

LDR5028121

PLUG

9/16" UNF

4шт.

24

LDR60010115

VALVE PRESSURE RELIE

Control Valve

2шт.

25

LDR5028078

ADAPTER

3/4" UNF x 3/4" UNF JIC

2шт.

26

LDR5028118

ADAPTER

9/16" UNF JIC

4шт.

27

LDR5028262

ADAPTER

2шт.

Выбрано товаров: 27