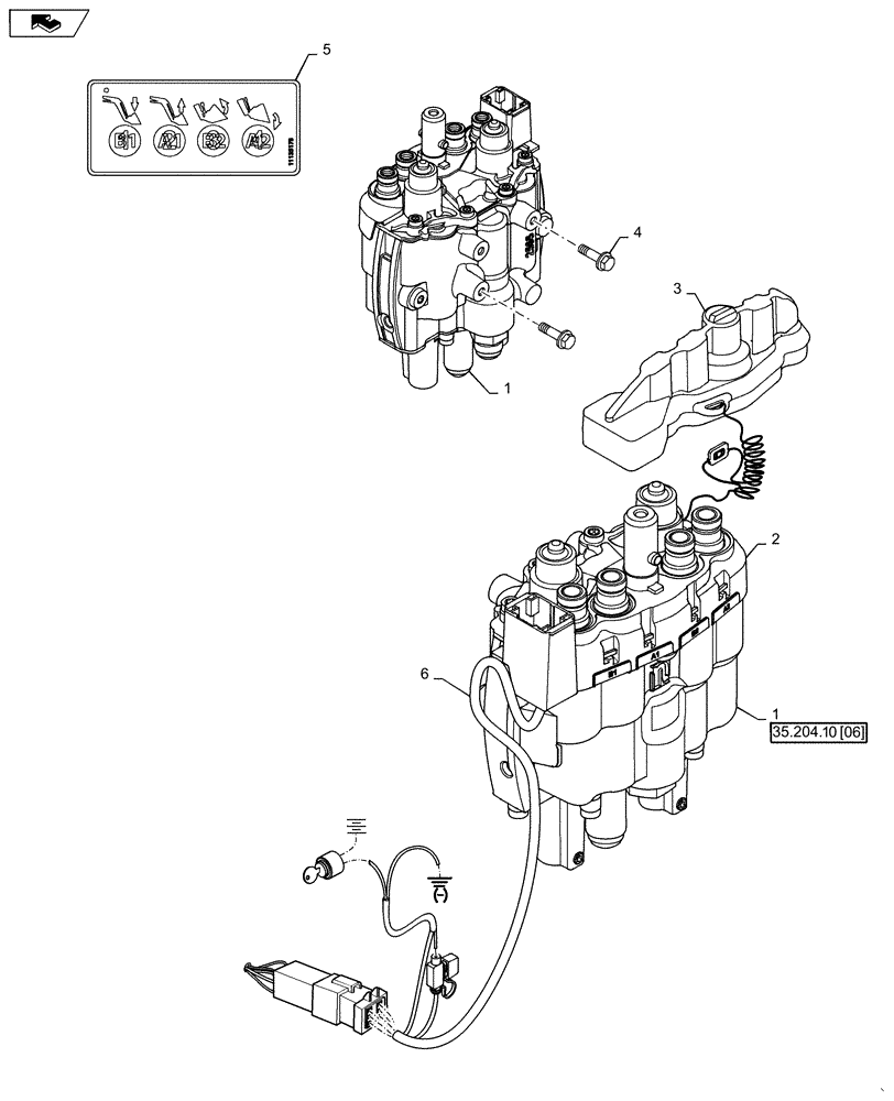
Запчасти Case IH L580 (35.204.BJ[01]) - VAR - 713640006 - ERGODRIVE LCS OPEN CENTER - FARMALL 110A, 120A, 125A, 140A (35) - HYDRAULIC SYSTEMS

Схема запчастей Case IH L580 - (35.204.BJ[01]) - VAR - 713640006 - ERGODRIVE LCS OPEN CENTER - FARMALL 110A, 120A, 125A, 140A (35) - HYDRAULIC SYSTEMS
6
1
35.204.10 06
5
3
2
1
4
FIT
1:1
100%

Артикул

Название

Примечание

Количество

1

LDR10570156

CONTROL VALVE

1шт.

2

LDR10570096

CAP

Control Valve

1шт.

3

LDR5034232

DUST CAP

Control Valve

1шт.

4

LDR5006018

SCREW,M8 x 25mm

3шт.

5

LDR11135173

DECAL

Joystick Control

1шт.

6

LDR5102182

WIRE HARNESS

1шт.

Выбрано товаров: 6