Запчасти Case IH L605 (09-10) - GRAPPLE BALE AND SILAGE (09) - CHASSIS/ATTACHMENTS

Схема запчастей Case IH L605 - (09-10) - GRAPPLE BALE AND SILAGE (09) - CHASSIS/ATTACHMENTS
23
16
18
10
21
7
14
18
9
9
3
1
21
6
12
17
25
2
11
21
19
20
13
4
5
22
15
21
24
FIT
1:1
100%

Артикул

Название

Примечание

Количество

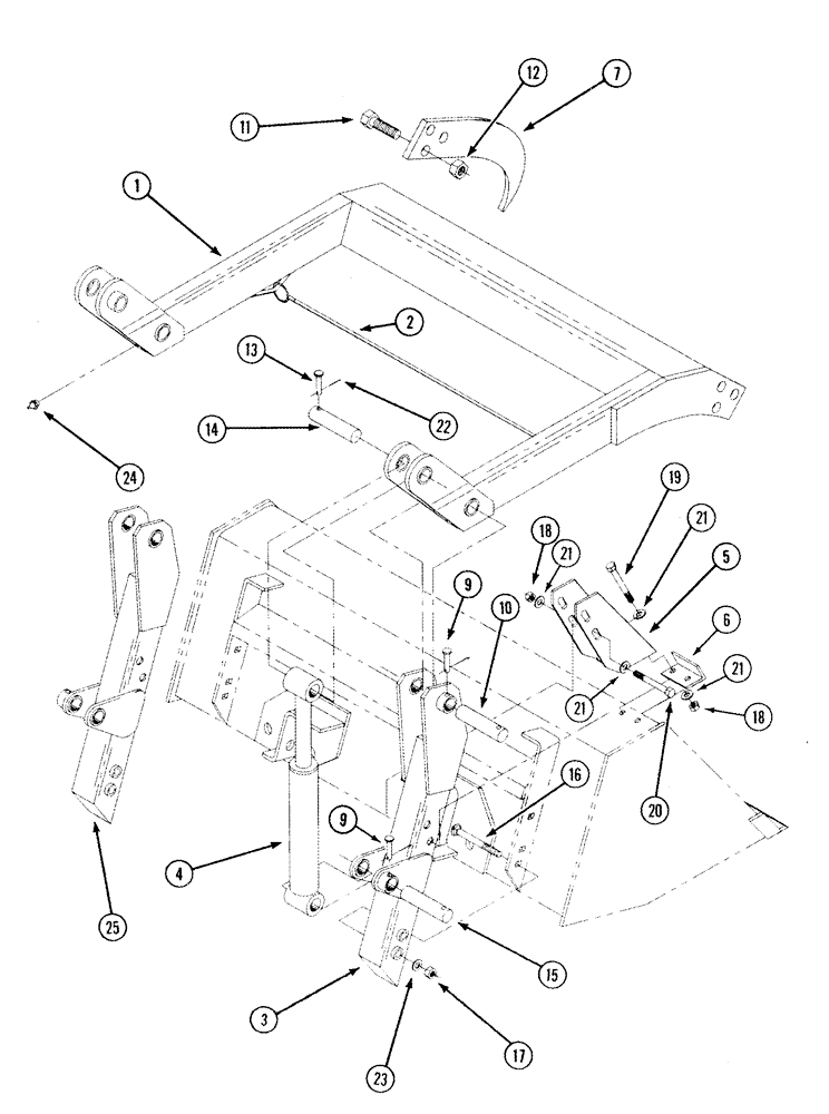
1

1985063C1

FRAME ASSY

1шт.

2

105000A1

CABLE

1шт.

3

1985070C1

PEDESTAL

Right Hand

1шт.

4

T57744

CYLINDER

64 ID x 222 mm strk, See Page(s) 8-59

2шт.

Use seal kit 87453549, Not shown

1шт.

5

1985068C1

ANGLE

Heavy Duty Buckets

2шт.

5

105022A1

SUPPORT ASSY.

General Purpose Buckets

2шт.

6

1985064C1

ANGLE

2шт.

7

1985089C1

TOOTH

4шт.

9

427-6225

CLEVIS PIN,3/8" x 2 1/4"

6шт.

10

T58133

HEADLESS PIN,33.34mm OD x 170mm L

1-5/16 x 6-5/8

2шт.

11

413-1240

BOLT,Hex, 3/4" - 10 x 2-1/2", Gr 5

8шт.

12

231-14412

LOCK NUT,3/4"-10, GB

8шт.

13

427-6225

CLEVIS PIN,3/8" x 2 1/4"

1шт.

14

T53095

HEADLESS PIN,28.57mm OD x 125mm L

1-1/8 x 4-1/2

2шт.

15

1344768C1

HEADLESS PIN,28.57mm OD x 168mm L

1-1/8 x 6-1/2

2шт.

16

433-1088

CARRIAGE BOLT,Sq Nk, 5/8" - 11 x 5 1/2", Gr 5

5/8 x 5-1/2

6шт.

17

231-41110

LOCK NUT,5/8"-11, GB

6шт.

18

231-4118

LOCK NUT,1/2"-13, GB

1/2

8шт.

19

413-856

BOLT,Hex, 1/2" - 13 x 3-1/2", Gr 5

4шт.

20

413-888

BOLT,Hex, 1/2" - 13 x 5-1/2", Gr 5

.5 X 5.5 UNC GR5 YZD

4шт.

21

496-31053

WASHER,13.49mm ID x 26.98mm OD x 4.78mm Thk

17/32 x 1-1/16 x 3/16

16шт.

22

432-612

COTTER PIN,3/32" x 3/4"

6шт.

23

495-21069

WASHER,5/8"

11/16 x 1-3/4 x 9/64

6шт.

24

219-87

LUBE NIPPLE,1/4" - 28 NPTF

6шт.

25

1985071C1

PEDESTAL

Left Hand

1шт.

Выбрано товаров: 26