Качественные детали и логистика
Оригинальные и аналоговые запчасти с доставкой по России, Казахстану и Беларуси
©2022 PartSell ООО "Система" ИНН 2463123282 ОГРН 1212400004838
Центральный офис: г. Красноярск, Академика Киренского, д.87, пом.4
Телефон: 8 (800) 777-65-74 Email: zakaz@partsell.ru
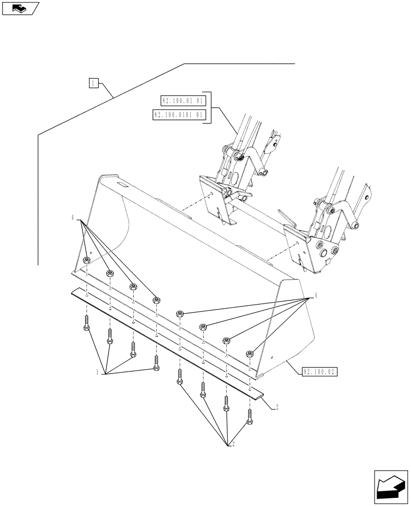
(88.082.03) - DIA KIT - 72" BUCKET EDGE
№
Артикул
Название
Примечание
Количество
1
719429250
DIA KIT, TRACTOR
Contains Ref. 2-4
1шт.
72 bucket
2
47390765
CUTTING EDGE
3
NSS
NOT SOLD SEPARAT
4
Выбрано товаров: 0