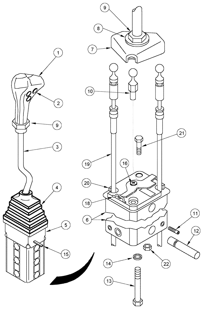
Запчасти Case IH L655 (08-10) - CONTROL ASSEMBLY 2 FUNCTION MX100 - MX135 Synchromesh Transmission (08) - HYDRAULICS

Схема запчастей Case IH L655 - (08-10) - CONTROL ASSEMBLY 2 FUNCTION MX100 - MX135 Synchromesh Transmission (08) - HYDRAULICS
14
22
10
18
20
21
2
13
5
3
7
8
9
9
19
1
11
6
4
15
12
FIT
1:1
100%

Артикул

Название

Примечание

Количество

280019A2

CONTROL

Consists Of 1-22

1шт.

1

246982A2

KNOB

Includes 2

1шт.

2

253280A1

PLASTIC PLUG

2шт.

3

246992A1

LEVER

1шт.

4

253274A1

BELLOWS

1шт.

5

253275A1

HOUSING

Upper

1шт.

6

247713A2

VALVE, CONTROL

Lower

1шт.

7

253276A1

COUPLING FLANGE

1шт.

8

895-15014

WASHER,15.5mm ID x 30mm OD x 2.5mm Thk

15,5 x 30 x 2,5 mm

1шт.

9

829-23414

THIN NUT,Thin, M14 x 1.5, Cl 05

2шт.

10

327141A1

BALL JOINT

1шт.

11

738-3422

PIN,M4 x 22, Coiled

3шт.

12

254286A1

TUBE,12 mm OD, 57.5 mm Length

2шт.

13

814-6080

BOLT,Hex, M6 x 1 x 80mm, Cl 8.8

1шт.

14

895-11006

WASHER,6.6mm ID x 12mm OD x 1.6mm Thk

1шт.

15

327138A1

CONTROL LEVER

1шт.

16

301-1468

DRIVE SCREW,Drive, #10 x 1/2"

1шт.

18

258464A1

SPRING LOCK

1шт.

19

253271A2

CABLE SHEATH

2шт.

20

327140A1

PLATE

1шт.

21

614-6020

BOLT,Hex, M6 x 1 x 20mm, Cl 8.8, Full Thd

1шт.

22

832-10406

NUT,M6 x 1, Cl 8

1шт.

Выбрано товаров: 22