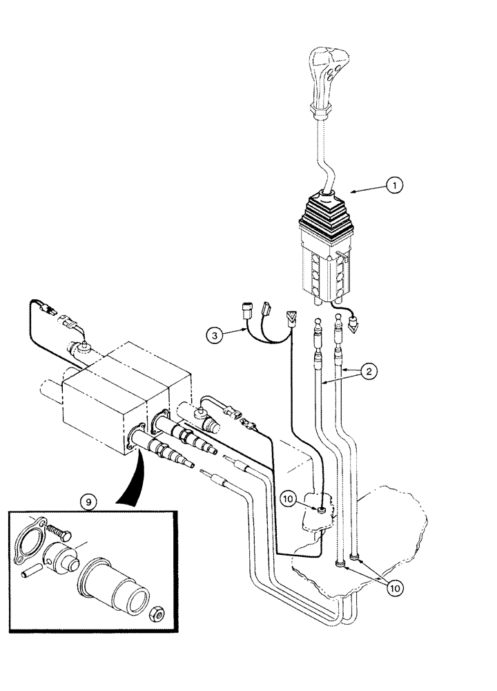
Запчасти Case IH L655 (08-11) - HYDRAULIC CONTROLS MOUNTING 3 Function MX100 - MX135 Power Shift Transmission (08) - HYDRAULICS

Схема запчастей Case IH L655 - (08-11) - HYDRAULIC CONTROLS MOUNTING 3 Function MX100 - MX135 Power Shift Transmission (08) - HYDRAULICS
2
1
3
10
10
9
FIT
1:1
100%

Артикул

Название

Примечание

Количество

1

254288A2

CONTROL

See Figure 8-12

1шт.

2

REF

INSTRUCTION

Cable

2шт.

3

247474A3

HARNESS

See Figure 4-01

1шт.

9

252798A1

SET OF PARTS

2шт.

10

182045A1

GROMMET

3шт.

Выбрано товаров: 5