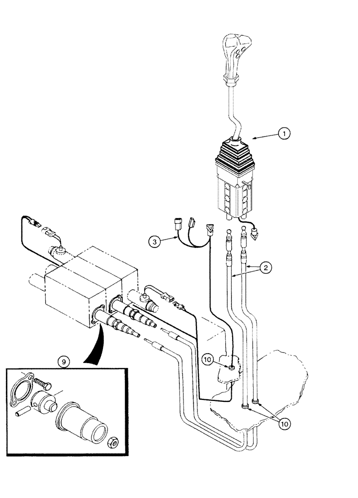
Запчасти Case IH L705 (08-09) - HYDRAULIC CONTROLS MOUNTING 3 Function (08) - HYDRAULICS

Схема запчастей Case IH L705 - (08-09) - HYDRAULIC CONTROLS MOUNTING 3 Function (08) - HYDRAULICS
10
3
1
10
2
9
FIT
1:1
100%

Артикул

Название

Примечание

Количество

1

254288A2

CONTROL

See Figure 8-10

1шт.

2

REF

INSTRUCTION

Cable

2шт.

3

247474A3

HARNESS

See Figure 4-01

1шт.

9

252798A1

SET OF PARTS

2шт.

10

182045A1

GROMMET

3шт.

Выбрано товаров: 5