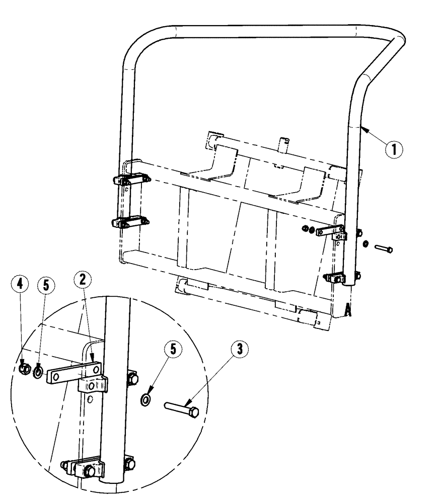
Запчасти Case IH L720 (82.300.AQ[08]) - FLEXIGRIP, BACK STOP (82) - FRONT LOADER & BUCKET

Схема запчастей Case IH L720 - (82.300.AQ[08]) - FLEXIGRIP, BACK STOP (82) - FRONT LOADER & BUCKET
3
5
1
4
5
2
FIT
1:1
100%

Артикул

Название

Примечание

Количество

1

LDR11260966

PROTECTION PLATE

1шт.

2

LDR11260969

PLATE

4шт.

3

LDR5002111

SCREW

M6S 12 x 75

8шт.

4

LDR5011555

NUT,M12

M12 Locking

8шт.

5

LDR5013104

WASHER

BRB 13.5 x 24

16шт.

Выбрано товаров: 5