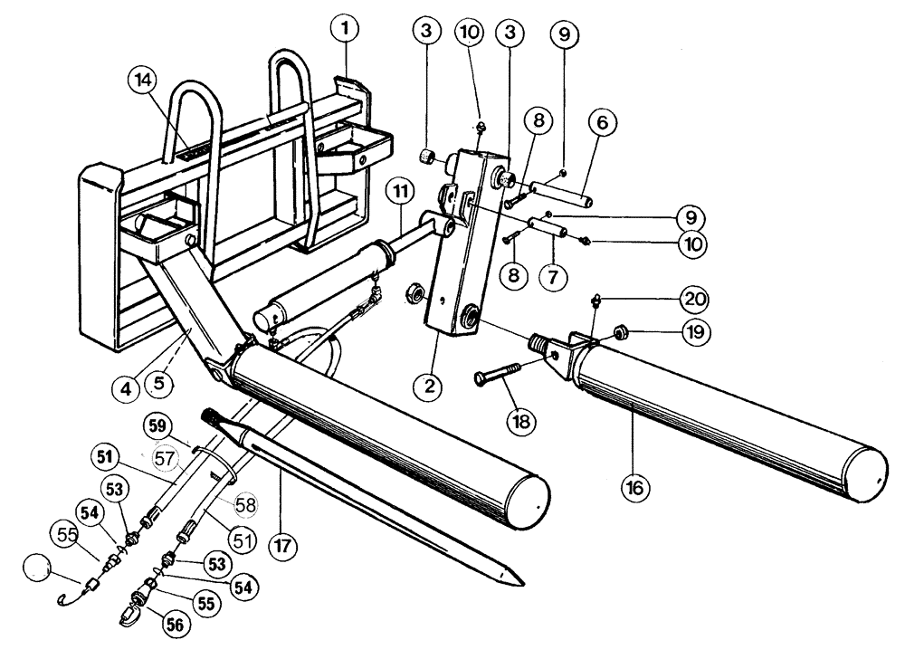
Запчасти Case IH L720 (82.300.AQ[11]) - VAR - 717478006 - FLEXIBAL (82) - FRONT LOADER & BUCKET

Схема запчастей Case IH L720 - (82.300.AQ[11]) - VAR - 717478006 - FLEXIBAL (82) - FRONT LOADER & BUCKET
8
56
51
58
18
3
20
16
53
55
19
9
10
55
6
9
59
54
1
2
4
57
7
56
11
54
8
14
53
5
17
51
3
10
FIT
1:1
100%

Артикул

Название

Примечание

Количество

1

NSS

NOT SOLD SEPARAT

1шт.

2

LDR1209638

SADDLE

Left

1шт.

3

LDR5018515

BUSHING,30mm L

30/34 x 20

2шт.

4

LDR1209639

SADDLE

Right

1шт.

5

LDR5018515

BUSHING,30mm L

30/34 x 20

2шт.

6

LDR1116307

PIN

30 OD x 211

2шт.

7

LDR1116435

PIN

30 OD x 115

2шт.

8

LDR5004082

SCREW

MC6S 10 x 65

4шт.

9

LDR5011554

NUT,M10

M6M 10 Locking

4шт.

10

LDR5023005

LUBE NIPPLE

M10

4шт.

11

LDR12704410

CYLINDER,Double Acting, 40mm Rod, 375mm Stroke

Dia. 65/40

1шт.

See Figure 08-30

1шт.

14

LDR1105600

DECAL

1шт.

LDR1209076

Inc. 16 - 20

2шт.

16

LDR1209585

TUBE

OD 127

1шт.

17

LDR5068004

TINE,1250mm

1250

1шт.

LDR5011901

NUT

1шт.

18

LDR5002163

SCREW

M6S 16 x 140

1шт.

19

LDR5011557

LOCK NUT,M16

M6M 16 Locking

1шт.

20

LDR5023005

LUBE NIPPLE

M10

1шт.

51

LDR9031049

FLEXIBLE HOSE

3/8" - 1000

2шт.

53

LDR1120011

HYD CONNECTOR

R 3/8" - 1/2 "

2шт.

54

LDR5013604

WASHER,21mm ID x 28mm OD

Copper, 21 x 28

2шт.

55

LDR5044127

COUPLING, QUICK, FEM,1/2"

R 1/2" Female

2шт.

56

LDR5044130

PROTECTIVE COVER

2шт.

57

LDR5022177

CABLE TIE

CABLE STRAP Red

1шт.

58

LDR5022179

CABLE TIE

CABLE STRAP Blue

1шт.

59

LDR5033606

CABLE TIE

Black

1шт.

Выбрано товаров: 28