Запчасти Case IH L750 (8-38) - VALVE SECTION (08) - HYDRAULICS

Схема запчастей Case IH L750 - (8-38) - VALVE SECTION (08) - HYDRAULICS
12
8
2
15
16
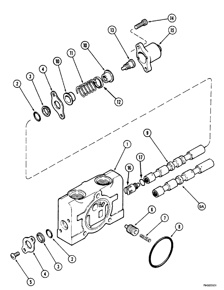
1
2
10
3
13
3
5
9a
7
10
11
9
4
4
17
6
14
FIT
1:1
100%

Артикул

Название

Примечание

Количество

105084A1

SPOOL

SECTION ASSY. regenerative Consists Of : 1-17

1шт.

105088A1

VALVE BLOCK

ASSY., control nonregenerative service replacement Consists Of : 1-17

1шт.

1

NSS

NOT SOLD SEPARAT

BODY

1шт.

2

1344740C1

O-RING,0.103" Thk x 0.549" ID, -113, 60 Duro

2шт.

3

S111870

OIL SCRAPER RING

SEAL

2шт.

4

S111865

PLATE

2шт.

5

340-1256

SCREW,Cross Pan Hd, 1/4"-20 x 3/8"

2шт.

6

1344738C1

PISTON

1шт.

7

1344737C1

SPRING

1шт.

8

238-5228

O-RING,0.139" Thk x 2.234" ID, -228, Cl 5, 75 Duro

1шт.

9

NSS

NOT SOLD SEPARAT

SPOOL regenerative

1шт.

9a

NSS

NOT SOLD SEPARAT

SPOOL nonregenerative service replacement

1шт.

10

1344732C1

SEAT

spring

2шт.

11

1344735C1

SPRING

1шт.

12

105089A1

SPACER

1шт.

13

1344729C1

END

STOP

1шт.

14

61-32512

HEX SOC SCREW,1/4 - 20 x 3/4"

SCREW, Hex Soc Hd, 1/4"-20 x 3/4"

2шт.

15

S111869

CAP

1шт.

16

105085A1

CLEVIS

1шт.

17

237-6003

O-RING,0.064" Thk x 0.301" ID, -903, Cl 6, 90 Duro

3-1, .301" ID x .064" Thk

1шт.

Выбрано товаров: 20