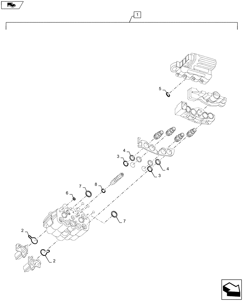
Запчасти Case IH L755 (35.204.BJ[06]) - VAR - 713640006 - ERGODRIVE LCS OPEN CENTER - FARMALL 110A, 120A, 125A, 140A (35) - HYDRAULIC SYSTEMS

Схема запчастей Case IH L755 - (35.204.BJ[06]) - VAR - 713640006 - ERGODRIVE LCS OPEN CENTER - FARMALL 110A, 120A, 125A, 140A (35) - HYDRAULIC SYSTEMS
4
2
6
home
1
3
5
3
7
4
7
2
8
FIT
1:1
100%

Артикул

Название

Примечание

Количество

1

LDR5040063

SEAL KIT

Incl 2 - 8

1шт.

2

NSS

NOT SOLD SEPARAT

Incl In 1

2шт.

3

NSS

NOT SOLD SEPARAT

Incl In 1

4шт.

4

NSS

NOT SOLD SEPARAT

Incl In 1

4шт.

5

NSS

NOT SOLD SEPARAT

Incl In 1

1шт.

6

NSS

NOT SOLD SEPARAT

Incl In 1

4шт.

7

NSS

NOT SOLD SEPARAT

Incl In 1

2шт.

8

NSS

NOT SOLD SEPARAT

Incl In 1

1шт.

Выбрано товаров: 8