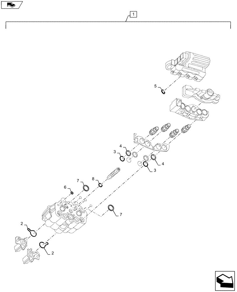
Запчасти Case IH L765 (35.204.BE[03]) - CONTROL VALVE - UPPER SEAL KIT (35) - HYDRAULIC SYSTEMS

Схема запчастей Case IH L765 - (35.204.BE[03]) - CONTROL VALVE - UPPER SEAL KIT (35) - HYDRAULIC SYSTEMS
1
5
7
home
3
4
8
2
3
7
6
2
4
FIT
1:1
100%

Артикул

Название

Примечание

Количество

1

LDR5040063

SEAL KIT

Incl 2 - 8

1шт.

2

NSS

NOT SOLD SEPARAT

Incl In 1

2шт.

3

NSS

NOT SOLD SEPARAT

Incl In 1

4шт.

4

NSS

NOT SOLD SEPARAT

Incl In 1

4шт.

5

NSS

NOT SOLD SEPARAT

Incl In 1

1шт.

6

NSS

NOT SOLD SEPARAT

Incl In 1

4шт.

7

NSS

NOT SOLD SEPARAT

Incl In 1

2шт.

8

NSS

NOT SOLD SEPARAT

Incl In 1

1шт.

Выбрано товаров: 8