Запчасти Case IH L780 PRO (35.525.AA[08]) - VAR - 717519006 - MID-MOUNT CONTROL VALVE, HYDR LINES (35) - HYDRAULIC SYSTEMS

Схема запчастей Case IH L780 PRO - (35.525.AA[08]) - VAR - 717519006 - MID-MOUNT CONTROL VALVE, HYDR LINES (35) - HYDRAULIC SYSTEMS
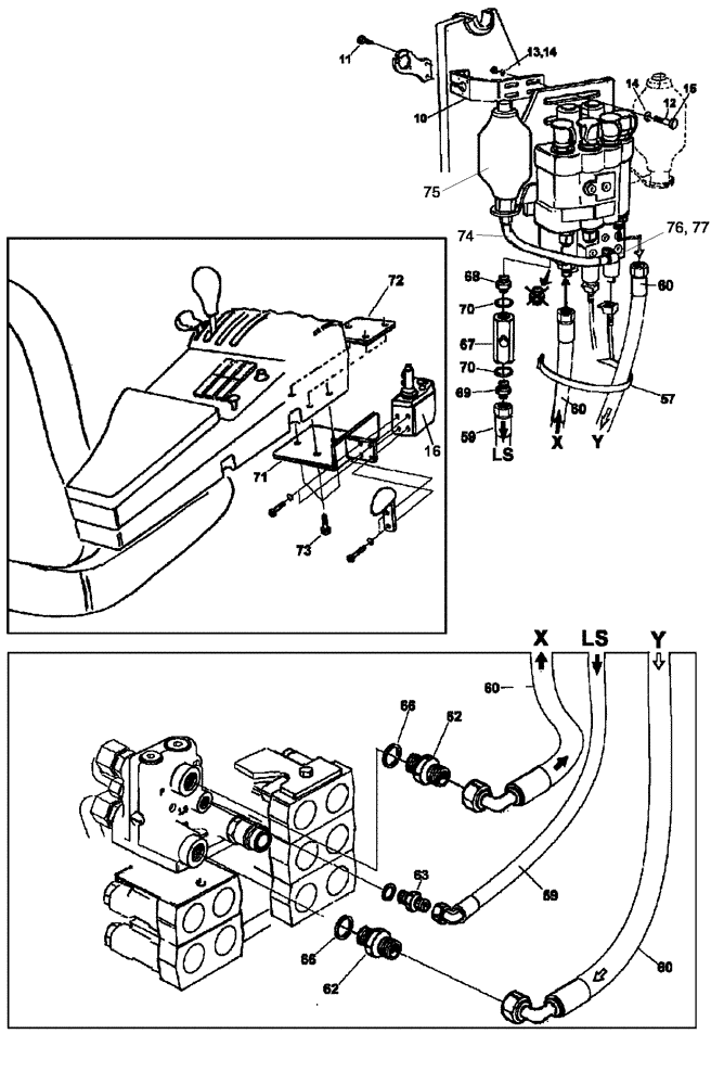
76
14
70
62
74
66
62
11
75
57
60
59
63
77
60
71
59
14
10
68
13
69
12
73
72
66
16
60
60
15
70
67
FIT
1:1
100%

Артикул

Название

Примечание

Количество

LDR10360022

KIT

Complete

1шт.

10

LDR10360032

BRACKET, SUPPORTING

1шт.

11

LDR5005999

SCREW,M10 x 45mm

M10 x 45

2шт.

12

LDR5002084

SCREW,M10 x 35mm, Cl 8.8

M10 x 35, 8.8

2шт.

13

LDR5011054

NUT,M10, Cl 8.8

M10

2шт.

14

LDR5013110

WASHER,10.50mm ID x 22mm OD x 2mm

BRB 10,5 x 22 x 2

4шт.

15

LDR5002089

BOLT,M10 x 25mm, Cl 8.8

M10 x 25, 8.8

2шт.

16

LDR5101026

JOYSTICK

1шт.

57

LDR5033606

CABLE TIE

6шт.

59

LDR9031553

HOSE,4250mm L

7/8" JIC x 4200

1шт.

60

LDR9031551

HYDRAULIC HOSE,4470mm L

1-1/16" JIC-90 x 4400

2шт.

62

LDR11120465

END FITTING,1 1/16" UNF JIC - M27 x 2

M27 x 2 - 1-1/16" UNF JIC

2шт.

63

LDR5027483

END FITTING,7/8" JIC x M18 x 1.5

M18 x 1,5 - 7/8" UNF JIC

1шт.

66

LDR5013611

COPPER WASHER,27mm ID x 32mm OD x 2mm

27 x 32 x 2

2шт.

67

LDR5045107

CHECK VALVE,3/8"

1шт.

68

LDR1120354

END FITTING,R 1/4" K - R 3/8"

R 1/4" K-R 3/8"

1шт.

69

LDR5027906

END FITTING,7/8" UNF JIC - R 3/8"

7/8" UNF JIC - R 3/8"

1шт.

70

LDR5013852

SEAL

2шт.

71

LDR10358540

BRACKET, SUPPORTING

1шт.

72

LDR10358543

PLATE

1шт.

73

LDR5004001

BOLT,M5 x 14mm, Cl 8.8

M5 x 14, 8.8

3шт.

74

LDR9030829

HOSE

16" Long

1шт.

75

LDR5045140

ACCUMULATOR

1шт.

LDR5033621

CABLE CLIP

10шт.

76

LDR1120166

SCREW

1шт.

77

LDR5013856

WASHER,1/4"

1шт.

78

LDR5013853

WASHER

(Not Shown)

4шт.

79

LDR5044131

QUICK MALE COUPLING

(Not Shown)

4шт.

80

LDR5102036

HARNESS

(Not Shown)

1шт.

81

LDR5102005

CABLE

(Not Shown)

1шт.

82

LDR5101028

BOX

Control (Not Shown)

1шт.

Выбрано товаров: 31